Vectron国际晶振集团是世界领先的晶振,石英晶振,有源晶振,压控振荡器频率控制、传感器和混合产品解决方案的设计、制造和营销的领导者,采用了从直流到微波频段的各种最新技术,包括大体积声波(BAW)和表面声波.产品包括压电石英晶体元器件、压电石英晶体、有源晶体、压电陶瓷谐振器、和晶体振荡器;频率翻译器;时钟和数据恢复产品;见滤器;晶体滤波器和用于电信、数据通信、频率合成器、定时、导航、军事、航空和仪表系统的组件.
Vectron晶振,欧美进口晶振,VXA7晶振,普通石英晶振,外观完全使用金属材料封装的,产品本身采用全自动石英晶体检测仪,以及跌落,漏气等苛刻实验.产品本身具有高稳定性,高可靠性的石英晶体谐振器,焊接方面支持表面贴装,外观采用金属封装,具有充分的密封性能,晶振本身能确保其高可靠性,采用编带包装,可对应产品应用到自动贴片机告诉安装,满足无铅焊接的高温回流温度曲线要求.
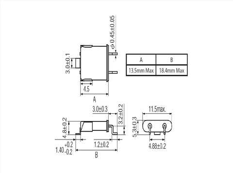
引脚焊接型石英晶体元件.工厂仓库长时间大量库存常用频点,.高精度的频率和晶振本身更低的等效串联电阻.常用负载电容,49/S石英晶振,因插件型镜头成本更低和更高的批量生产能力.主要应用于电视,机顶盒,LCDM和游戏机家用常规电器数码产品等的最佳选择.符合RoHS/无铅.
|
Vectron晶振规格 |
单位 |
VXA7晶振频率范围 |
石英晶振基本条件 |
|
标准频率 |
f_nom |
1.8432MHZ~150MHZ |
标准频率 |
|
储存温度 |
T_stg |
-20°C ~ +70°C |
裸存 |
|
工作温度 |
T_use |
-40°C ~ +90°C |
标准温度 |
|
激励功率 |
DL |
100μW Max. |
推荐:1μW ~ 100μW |
|
频率公差 |
f_— l |
±50 × 10-6(标准), |
+25°C 对于超出标准的规格说明,请联系我们以便获取相关的信息,http://www.smdcrystal.com/ |
|
频率温度特征 |
f_tem |
±30 × 10-6/-20°C ~ +70°C |
超出标准的规格请联系我们. |
|
负载电容 |
CL |
6pF ~32PF |
不同负载电容要求,请联系我们. |
|
串联电阻(ESR) |
R1 |
如下表所示 |
-40°C — +85°C,DL = 100μW |
|
频率老化 |
f_age |
±5 × 10-6/ year Max. |
+25°C,第一年 |
清洗
关于一般清洗液的使用以及超声波清洗没有问题,但这仅仅是对单个石英水晶振动子产品进行试验所得的结果,因此请根据实际使用状态进行确认。
由于音叉型晶体谐振器的频率范围和超声波清洗机的清洗频率很近,容易受到共振破坏,因此请尽可能避免超声波清洗。
若要进行超声波清洗,必须事先根据实际使用状态进行确认。
撞击
虽然进口晶振产品在设计阶段已经考虑到其耐撞击性,但如果掉到地板上或者受到过度的撞击,以防万一还是要检查特性后再使用。
装载
<SMD产品>
SMD晶体产品支持自动贴装,但还是请预先基于所使用的搭载机实施搭载测试,确认其对特性没有影响。 在切断工序等会导致基板发生翘曲的工序中,请注意避免翘曲影响到产品的特性以及软焊。 基于超声波焊接的贴装以及加工会使得贴片晶体产品(谐振器、振荡器、滤波器)内部传播过大的振动,有可能导致特性老化以及引起不振荡,因此不推荐使 用。
<引线类型产品>
当引线弯折、成型以及贴装到印制电路板时,请注意避免对基座玻璃部分施加压力。否则有可能导致玻璃出现裂痕,从而引起性能劣化
VectronVectron国际晶振集团环保基本理念:
1.作为良好的企业市民,遵循本公司的行动方针,充分关心维护地球环境.遵守国内外的有关环保法规.
2.保护自然环境,充分关注自然生态等方面的环境保护,维持和保全生物多样性.
3.有效利用资源和能源,认识到资源和能源的有限性,努力进行有效利用.
4为构建循环型社会做出贡献,致力于减少温补晶振,石英晶体振荡器, 压电石英晶体元器件、压电石英晶体、有源晶体、石英晶振,贴片晶振材料的废弃物及废弃物的再利用核再生循环,努力构建循环型社会.
5.推进环保型业务,充分发挥综合实力,推进石英晶振,贴片晶振环保型业务,为减轻社会的环境负荷做出贡献.
6.建立环境管理系统,充分运用环境管理系统,设定环境目的和目标,定期修正,不断改善,努力预防环境污染.
我们的员工提供信息,以及能够将方针与各自工作职责完全结合的培训.
加强环境意识教育,提高全员环境意识,充分调动职工的积极性,积极使用温补晶体振荡器(TCXO)、恒温晶体振荡器(OCXO),晶振,石英晶振,有源晶振环保型原材料,减少生产过程中的废弃物产生量,努力向相关方施加环境影响.


ECS晶振,CSM-4AX晶振,ECS-122.8-20-28A-TR-12.288MHZ晶振,贴片石英晶振
NDK晶振,插件晶振,AT-41晶振
NDK晶振,49SMD晶振,AT-41CD2晶振
Vectron晶振,贴片晶振,VXC1晶振
Vectron晶振,1612晶振,VXN1晶振
Statek晶振,贴片晶振,CX11L晶振
Statek晶振,插件晶振,SQXO晶振
CA-26.000-18-3050-X-R|26MHz|18pF|AKER台湾品牌
12.60210|KX-7T|9.18MHz|8pF|格耶高品质晶体


