SiTime晶振公司,MEMS和模拟半导体公司,提供了业界最好的时间解决方案.我们的团队热衷于解决高性能电子产品中最困难的时间问题.我们已经向世界各地的客户运送了超过6.25亿台设备,占MEMS时间的90%,并且年增长率超过50%.SiTime是MegaChips公司(东京证券交易所:6875)的独立子公司, 主要以生产高精度石英晶体振荡器,可编程晶体振荡器等器件为主.
在过去的几十年里,石英晶体振荡器、时钟发生器和石英晶体谐振器是电子器件中主要的参考计时元件.由于没有其他选择,OEMs和ODMs接受了石英定时装置固有的局限性.现在,有了强大的MEMS谐振器和高性能模拟电路,SiTime晶振公司已经开发出突破石英器件限制的突破性解决方案,研发出高性能贴片晶振,石英晶体振荡器,可编程石英晶体振荡器等.
SiTime晶振集团的MEMS技术起源于博世和斯坦福大学.在我们的创始人创办SiTime之前,他们花了几年时间在位于德国的博世和加州的帕洛阿尔托开发了拯救生命的MEMS解决方案.自2005年成立以来,SiTime已经开发了几代先进的kHz石英晶体和MHz MEMS谐振器,具有最高的性能、最低的漂移、最小的尺寸和最好的可靠性.我们还开发了一个全面的开发和仿真平台,确保所有MEMS谐振器的第一个硅成功.SiTime的MEMS谐振器不仅在我们销售的每一种产品中都有,其他半导体公司在其SOCs中集成了SiTime的MEMS谐振器,以提供独特的、高容量的解决方案,不需要外部时钟.
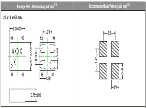
Sitime晶振,有源晶振,SiT8925B晶振,有源晶振,是指晶体本身起振需要外部电压供应,起振后可直接驱动CMOS 集成电路,产品本身已实现与薄型IC(TSSOP封装,TVSOP封装)同样的1mm厚度,断开时的消费电流是15 µA以下,编带包装方式可对应自动搭载及IR回流焊接(无铅对应)产品有几种电压供选1.8V,2.5V,3V3.3V,5V,以应对不同IC产品需要.
有源晶振高频振荡器使用IC与晶片设计匹配技术:有源晶振是高频振荡器研发及生产过程必须要解决的技术难题.在设计过程中除了要考虑石英晶体谐振器具有的电性外,还有石英晶体振荡器的电极设计等其它的特殊性,必须考虑石英晶体振荡器的供应电压、起动电压和产品上升时间、下降时间等相关参数.
|
项目 |
符号 |
规格说明 |
条件 |
|
输出频率范围 |
f0 |
115.2M~137MHZ |
请联系我们以便获取其它可用频率的相关信息 |
|
电源电压 |
VCC |
1.60 V to 3.63 V |
请联系我们以了解更多相关信息 |
|
储存温度 |
T_stg |
-55℃ to +125℃ |
裸存 |
|
工作温度 |
T_use |
G: -40℃ to +85℃ |
请联系我们查看更多资料http://www.smdcrystal.com/ |
|
H: -40℃ to +105℃ |
|||
|
J: -40℃ to +125℃ |
|||
|
频率稳定度 |
f_tol |
J: ±50 × 10-6 |
|
|
L: ±100 × 10-6 |
|||
|
T: ±150 × 10-6 |
|||
|
功耗 |
ICC |
3.5 mA Max. |
无负载条件、最大工作频率 |
|
待机电流 |
I_std |
3.3μA Max. |
ST=GND |
|
占空比 |
SYM |
45 % to 55 % |
50 % VCC 极, L_CMOS≦15 pF |
|
输出电压 |
VOH |
VCC-0.4V Min. |
|
|
VOL |
0.4 V Max. |
|
|
|
输出负载条件 |
L_CMOS |
15 pF Max. |
|
|
输入电压 |
VIH |
80% VCCMax. |
ST终端 |
|
VIL |
20 % VCCMax. |
||
|
上升/下降时间 |
tr / tf |
4 ns Max. |
20 % VCCto 80 % VCC极, L_CMOS=15 pF |
|
振荡启动时间 |
t_str |
3 ms Max. |
t=0 at 90 % |
|
频率老化 |
f_aging |
±3 × 10-6/ year Max. |
+25 ℃, 初年度,第一年 |
1:抗冲击
抗冲击是指晶振产品可能会在某些条件下受到损坏.例如从桌上跌落,摔打,高空抛压或在贴装过程中受到冲击.如果产品已受过冲击请勿使用.因为无论何种石英晶振,其内部晶片都是石英晶振制作而成的,高空跌落摔打都会给晶振照成不良影响.
2:辐射
将贴片晶振暴露于辐射环境会导致产品性能受到损害,因此应避免阳光长时间的照射.
3:化学制剂 / pH值环境
请勿在PH值范围可能导致腐蚀或溶解石英晶振或包装材料的环境下使用或储藏这些产品.
4:粘合剂
请勿使用可能导致石英晶振所用的封装材料,终端,组件,玻璃材料以及气相沉积材料等受到腐蚀的胶粘剂.(比如,氯基胶粘剂可能腐蚀一个晶振的金属“盖”,从而破坏密封质量,降低性能.)
5:卤化合物
请勿在卤素气体环境下使用晶振.即使少量的卤素气体,比如在空气中的氯气内或封装所用金属部件内,都可能产生腐蚀.同时,请勿使用任何会释放出卤素气体的树脂.
6:静电
过高的静电可能会损坏贴片晶振,请注意抗静电条件.请为容器和封装材料选择导电材料.在处理的时候,请使用电焊枪和无高电压泄漏的测量电路,并进行接地操作.
SiTime晶振环保基本理念:
1.作为良好的企业市民,遵循本公司的行动方针,充分关心维护地球环境.遵守国内外的有关环保法规.
2.保护自然环境,充分关注自然生态等方面的环境保护,维持和保全生物多样性.
3.有效利用资源和能源,认识到资源和能源的有限性,努力进行有效利用.Sitime晶振,有源晶振,SiT8925B晶振
4为构建循环型社会做出贡献,致力于石英晶振晶体原材料减少废弃物及废弃物的再利用核再生循环,努力构建循环型社会.
5.推进环保型业务,充分发挥综合实力,推进环保型业务,为减轻社会的环境负荷做出贡献.
6.建立环境管理系统,充分运用环境管理系统,设定环境目的和目标,定期修正,不断改善,努力预防环境污染.
SiTime晶振完全符合ISO14001环境管理体系国际标准的要求,体现了一个适合、三个承诺和一个框架:
建造美丽家园——适合于我公司的生产活动、产品以及服务过程的性质.规模与环境影响;
持续改进——持续改进环境绩效和环境管理体系的承诺;
减少石英晶振晶体材料污染,节能降耗——污染预防的承诺;
依法治理——遵守现行适用的环境法律、法规和其他要求的承诺;
“减少污染,节能降耗,建造美丽家园;依法治理,持续改进,净化一片蓝天”提供了建立和评审环境目标和指标的框架.


1XTW20000MFA,3225温补晶振,24MHz有源晶振
7DD01228A09,日产KDS有源晶振,蓝牙音响晶振
7AF04800A16,DSX211SH晶振,2016mm晶振


