-
-
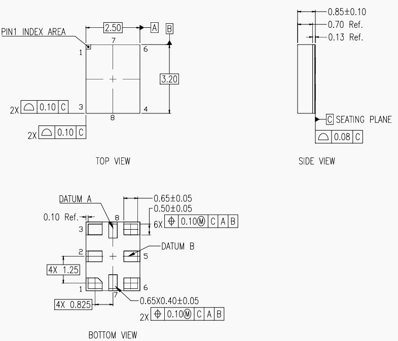
瑞萨晶振,XFL536200.000000I晶振,领先全球的无线网晶振频率:200MHZ尺寸:3225mm
瑞萨晶振,XFL536200.000000I晶振,领先全球的无线网晶振,瑞萨晶振公司,Renesas晶振,石英晶振,六脚晶振,进口晶振,SMD晶振,小体积晶振,5032晶振,6G室外基站晶振,无人机晶振,6G路由器晶振,6G通讯终端晶振,航空航天晶振,XF器件是超低相位噪声石英基锁相环振荡器,支持大范围的频率和输出接口类型。这些器件被设计为在三种不同的电源下工作,具有几种引脚配置,以及两个工作温度范围。XF器件可编程为产生15MHz至2100MHz的输出频率,分辨率低至1Hz精度。该系列设备的配置能力允许样品和大型生产订单的快速交付时间。部件在工厂用于固定频率应用的一次性编程(OTP),或者可以根据系统需要使用I2C进行现场编程(参见引脚描述下的注释)。
-
-
遥遥领先的航天飞机晶振,Renesas晶振,XAH736049.152000I晶振频率:49.152MHZ尺寸:5032mm
遥遥领先的航天飞机晶振,Renesas晶振,XAH736049.152000I晶振,瑞萨晶振公司,Renesas晶振,石英晶振,六脚晶振,进口晶振,SMD晶振,小体积晶振,5032晶振,6G室外基站晶振,无人机晶振,6G路由器晶振,6G通讯终端晶振,航空航天晶振,瑞萨XA器件是超精密晶体振荡器,典型相位抖动为750至890fs,带宽为12kHz至20MHz。XA系列晶体振荡器的频率范围从0.750MHz到1350MHz,采用一系列专有的asic,重点关注降噪技术。三阶δ σ调制器将噪声降低到与传统的大块石英和SAW振荡器相当的水平。由于交货时间短、成本低、噪声低、频率范围宽、环境性能优异,XA器件是传统技术的最佳选择。XA设备的稳定性高达±25ppm,对于标准和定制频率都具有极快的交付速度。
-
-
瑞萨电子,领先同行的智能辅助驾驶模块晶振,XTP332087.000000I晶振频率:87MHZ尺寸:3225mm
瑞萨电子,领先同行的智能辅助驾驶模块晶振,XTP332087.000000I晶振,瑞萨晶振公司,Renesas晶振,石英晶振,进口晶振,SMD晶振,小体积晶振,3225晶振,XT器件是超低相位噪声石英基锁相环振荡器,支持大范围的频率和输出接口类型。XT设备可编程为产生15MHz至2100MHz的输出频率,分辨率低至1Hz精度。该系列设备的可配置性为样品和大型生产订单提供了快速交付时间。部件可能是工厂编程的固定频率应用,或者可能是现场配置使用I2C接口。6G室外基站晶振,无人机晶振,6G路由器晶振,6G通讯终端晶振
-
-
瑞萨晶振,278-25.78125-1晶振,四脚无源6G设备晶振频率:25.78125 MHz尺寸:5.0 x 3.2mm
瑞萨晶振,278-25.78125-1晶振,四脚无源6G设备晶振,日本瑞萨株式会社,瑞萨278-25.78125-1石英晶振,无源晶振,贴片晶振,四脚晶振,高精度晶振,6G通讯设备晶振,石英晶振,6G室外型号发射器晶振,瑞萨晶振,进口晶振,环保无铅晶振,高品质晶振,高精度晶振,高频率准确度晶振
-
-
RENESAS晶振,无源SMD晶振,278-25.78125-1晶振频率:25.78125 MHz尺寸:13.9 x 5.0 x 4.4 mm
RENESAS晶振,无源SMD晶振,278-25.78125-1晶振,瑞萨278-25.78125-1器件是高水平,高精度的无源晶振的代表,该产品交货时间短,成本低,噪音低,频率范围宽,环境性能优异,是传统技术的绝佳选择。是传统无源晶振的不二之选,无源晶振,贴片晶振,49SMD晶振,高精度晶振,6G通讯设备晶振,石英晶振
-
-
瑞萨RENESAS晶振,XLH336050.000000X晶振,有源六脚晶振频率:50MHZ尺寸:5032mm
瑞萨RENESAS晶振,XLH336050.000000X晶振,有源六脚晶振,瑞萨XL器件(XO和VCXO选项)是超精密晶体振荡器,典型相位抖动为750至890fs,带宽为12kHz至20MHz。XL系列晶体振荡器的频率范围从0.750MHz到1350MHz,瑞萨晶振采用一系列专有的asic,重点关注降噪技术。三阶δ σ调制器将噪声降低到与传统的大块石英和SAW振荡器相当的水平。XL设备交货时间短,成本低,噪音低,频率范围宽,环境性能优异,是传统技术的绝佳选择。XL (XO选项)设备的稳定性为±20ppm, XL (VCXO选项)设备的apr为±50ppm。任何一种选项都可以为标准和定制频率提供极快的交付。
Recommended News
- 2025-10-21 ECS-TXO-3225MV温补晶振的常用型号表
- 2025-09-04 格耶Geyer KX-C晶振赋能工业未来智能设备
- 2025-07-18 关键应用的卓越之选OCXO恒温晶振Greenray的YH1485型号
- 2025-02-08 中国版星链来袭,手机及温补晶振的发展要"大变天"?
- 2025-01-15 瑞萨XK系列基于石英的PLL振荡器
- 2025-01-14 TX-D晶振高精度,节能的实时时钟解决方案
- 2025-01-10 泰艺OO-U差分晶体振荡器:精密与紧凑设计的结合
- 2025-01-03 ECS晶振对您所在行业基本应用的承诺
- 2024-12-24 安基科技的展频石英振荡器
- 2024-12-24 NDK晶振对NX1612SD进行了产品技术更新
- 2024-05-25 FCD-Tech振荡器FBT0503C3I507AC35MHz微型高稳定性贴片TCXO
- 2024-05-24 Golledge探索便携式电子产品微型GXO-3306L振荡器的发展
- 2024-05-22 MtronPTI石英晶体M61641GFCN 40.000000应用程序范围
- 2024-05-20 Abracon提供工业市场解决方案AK2BDDF1-156.2500T
- 2024-04-22 KVG石英晶体XMP-5135-1A-18pF-24.000MHz满足客户的独特要求而设计
- 2024-04-18 FMI石英晶体SMD晶振和通孔晶振产品FMXMC6S2118HJA-20.000MHZ-CM
泰河盛产品中心
Product Center
石英晶振
- CTS晶振
- 微晶晶振
- 瑞康晶振
- 康纳温菲尔德晶振
- 高利奇晶振
- Jauch晶振
- AbraconCrystal晶振
- 维管晶振
- ECScrystal晶振
- 日蚀晶振
- 拉隆晶振
- 格林雷晶振
- SiTimeCrystal晶振
- IDTcrystal晶振
- PletronicsCrystal晶振
- StatekCrystal晶振
- ILSI晶振
- FOX晶振
- Fujicom晶振
- AEK晶振
- CRYSTEK晶振
- Interquip晶振
- Geyer晶振
- Quartzcom晶振
- qantek晶振
- EUROQUARTZ晶振
- Quarztechnik晶振
- Cardinal晶振
- FRE-TECH晶振
- KVG晶振
- Wi2wi晶振
- AEL晶振
- Transko晶振
- Suntsu晶振
- Mmdcomp晶振
- MERCURY晶振
- MTRONPTI晶振
- ACT晶振
- MTI-MILLIREN晶振
- LIHOM晶振
- CTECH晶振
- rubyquartz晶振
- OSCILENT晶振
- NAKA晶振
- Shinsung晶振
- ITTI晶振
- SMI晶振
- PDI晶振
- IQD晶振
- Microchip晶振
- Silicon晶振
- Fortiming晶振
- CORE晶振
- NIPPON晶振
- NIC晶振
- QVS晶振
- Bomar晶振
- Bliley晶振
- GED晶振
- Filtronetics晶振
- Standard晶振
- Q-Tech晶振
- Anderson晶振
- Wenzel晶振
- NEL晶振
- EM晶振
- PETERMANN晶振
- FCD-Tech晶振
- HEC晶振
- FMI晶振
- AXTAL晶振
- ARGO晶振
- Renesas瑞萨晶振
谐振器
滤波器
雾化片
SMD晶振
有源晶振
KDS晶振
爱普生晶振
- 爱普生32.768K晶体
- 爱普生 OSC晶振
- 爱普生 OCXO晶振
- 爱普生 VCXO晶振
- 爱普生 TCXO晶振
- 爱普生无源晶振
- 爱普生 CMOS晶振
- 爱普生 LV-PECL晶振
- 爱普生 LVDS晶振
- 爱普生 HCSL晶振
- 爱普生 VC-TCXO晶振
京瓷晶振
32.768K
联系泰河电子
泰河盛微信号
在线留言
收藏网站
网站地图
手机版
全球咨询热线:
相关产品说明下载PDF文件
咨询热线:
快速通道