NKG Crystal|S5M19.2000F16E23-EXT|TAIHETH,NKG晶振,S5M石英晶体,S5M19.2000F16E23-EXT晶振,进口无源晶振,四脚贴片晶振,5032贴片晶振,晶体谐振器,频率19.2MHz,负载16pF,工作温度-20~70°C,频率稳定性30ppm,小体积晶振,耐高温晶振,抗震动晶振,微处理器晶振,无线局域网晶振,便携式设备晶振,调制解调器晶振.
NKG Crystal|S5M19.2000F16E23-EXT|TAIHETH特点:
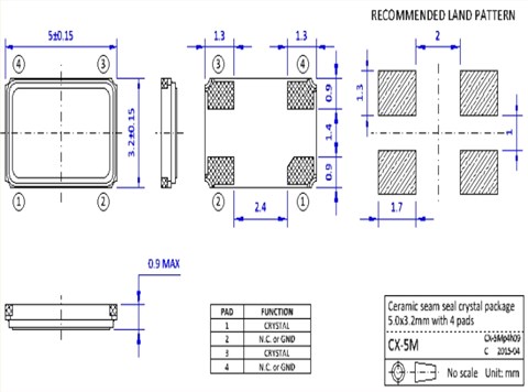
	•微型包装尺寸5.0 x 3.2x 0.8mm与4个垫。
•优异的耐热性和抗震性。
•高可靠的缝封封装,低老化。
•符合AEC-Q200标准的汽车级产品可供选择。
 
	
 
NKG Crystal|S5M19.2000F16E23-EXT|TAIHETH规格表
	
	 
						100Ω~80Ω MAX
					 
						80Ω~60Ω MAX 
					 
						60Ω~40Ω MAX 
					 
						40Ω~30Ω MAX 
					 
						100Ω MAX 
					 
						80Ω MAX 
					 
						FUND MODE 10~16MHz 
					 
						FUND MODE 16~24MHz 
					 
						FUND MODE 24~55MHz 
					 
						3rd OT mode 40~60MHz 
					 
						3rd OT mode 60~150MHz 
					
		
 
				 
			
					PARAMETER 
				 
				
					SYMBOL 
				 
				
					SPECIFICATIONS 
				 
				
					REMARKS 
				 
			
				 
			
					FREQUEN CY RAN GE 
				 
				
					FA 
				 
				
					19.2MHZ 
				 
				
					- 
				 
			
				 
			
					CUT AND OPERATION MODE 
				 
				
					- 
				 
				
					AT-CUT / FUNDAMENTAL 
				 
				
					- 
				 
			
				 
			
					FREQUENCY TOLERANCE 
				 
				
					Δf/f 
				 
				
					±20PPM 
				 
				
					OTHER OPTIONS AVAILABLE 
				 
			
				 
			
					STABILITY OVER OPERATING TEMP. 
				 
				
					TC 
				 
				
					±30PPM 
				 
				
					D EPEND IN G ON OPERATING TEMPERATURE RAN GE, OTHER OPTIONS AVAILABLE 1 
				 
			
				 
			
					OPERATING TEMPERATURE RANGE 
				 
				
					Top 
				 
				
					-20°C~+70°C 
				 
				
					OPTIONS AVAILABLE 
				 
			
				 
			
					LOAD CAPACITAN CE 
				 
				
					CL 
				 
				
					16PF 
				 
				
					PLEASE SPECIFY LOAD CAPACITANCE 
				 
			
				 
			
					EQUIVALENT SERIES RESISTANCE 
				 
				
					ESR 
				 
				
					 
				
					 
			
				 
			
					DRIVE LEVEL 
				 
				
					DL 
				 
				
					100μW TYP,300μW MAX 
				 
				
					- 
				 
			
				 
		
	
					AGING FIRST YEAR 
				 
				
					△f/yi 
				 
				
					±3 PPM 
				 
				
					@+25°C 
				 
			
	
 

