S6M27.1200F18M23-EXT|NKG Crystal|TAIHETH,NKG晶振,S6M进口晶振,S6M27.1200F18M23-EXT晶振,无源晶振,石英晶体谐振器,四脚贴片晶振,6035贴片石英晶振,频率27.12MHz,负载18pF,工作温度-40~85°C,频率稳定性30ppm,高可靠晶振,高品质晶振,低老化晶振,移动通信晶振,测试与测量设备晶振,办公自动化晶振,蓝牙耳机晶振.
S6M27.1200F18M23-EXT|NKG Crystal|TAIHETH特点:
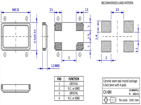
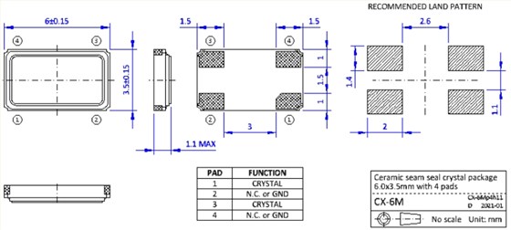
•微型包装尺寸6.0 x 3.5x 1.0mm与4个垫。
•优异的耐热性和抗震性。
•高可靠的缝封封装,低老化。
•符合AEC-Q200标准的汽车级产品可供选择。
S6M27.1200F18M23-EXT|NKG Crystal|TAIHETH规格表
100Ω
60Ω~50Ω MAX
50Ω~40Ω MAX
40Ω~30Ω MAX
30Ω~20Ω MAX
100Ω~80ΩMAX
FUND MODE 8~10MHZ
FUND MODE 10~14MHz
FUND MODE 14~20MHz
FUND MODE 20~54MHz
3rd OT mode 60~150MHz
PARAMETER
SYMBOL
SPECIFICATIONS
REMARKS
FREQUEN CY RAN GE
FA
27.12MHZ
-
CUT AND OPERATION MODE
-
AT-CUT / FUNDAMENTAL
-
FREQUENCY TOLERANCE
Δf/f
±20PPM
OTHER OPTIONS AVAILABLE
STABILITY OVER OPERATING TEMP.
TC
±30PPM
D EPEND IN G ON OPERATING TEMPERATURE RAN GE, OTHER OPTIONS AVAILABLE 1
OPERATING TEMPERATURE RANGE
Top
-40°C~+85°C
OPTIONS AVAILABLE
LOAD CAPACITAN CE
CL
18PF
PLEASE SPECIFY LOAD CAPACITANCE
EQUIVALENT SERIES RESISTANCE
ESR
DRIVE LEVEL
DL
100μW TYP,300μW MAX
-
AGING FIRST YEAR
△f/yi
±5 PPM
@+25°C

