Transko推出OX-P系列OCXO
Transko推出OX-P系列OCXO
TranskoOX-P系列OCXO以"极致稳定"为核心,深度融合Transko自主研发的高精度数字控温技术,高纯度晶体加工工艺,双重频率校准算法三大核心技术,在频率稳定性,功耗控制,体积设计,环境适应性等方面实现全方位跨越式升级.与传统OCXO产品相比,该系列既完整保留了OCXO与生俱来的高精度时频基准优势,又精准弥补了传统产品功耗偏高,体积笨重,预热缓慢,长期稳定性不足等固有短板,通过结构优化,工艺革新与技术迭代,打造出一款适配5G通信,工业精密控制等高端场景的全能型恒温晶体振荡器,既满足高端场景对时频精度的严苛要求,又适配小型化,低功耗的设备设计趋势,打破行业技术瓶颈.
(一)极致频率稳定,筑牢时频基准核心
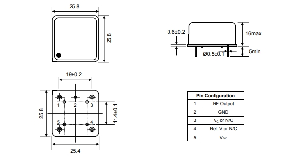
频率稳定性是高性能OCXO晶振的核心性能指标,更是高端时频应用的"生命线",直接决定整个电子系统的时序精度,信号传输质量与长期运行可靠性.尤其在5G通信,测试测量,工业精密控制等高端场景中,时频精度要求已达到纳秒级,ppb级,哪怕极小的频率漂移(如百万分之一甚至十亿分之一的偏差),都可能导致信号失真,测量误差过大,系统同步失效,生产精度不达标等严重问题,造成巨大的经济损失与安全隐患.与传统TCXO(温度补偿晶体振荡器)采用被动温度补偿机制,无法从根本上消除温度影响不同,OX-P系列OCXO采用主动恒温控制设计,将核心晶体谐振器单独封装在独立的精密恒温槽内,该恒温槽采用高导热,低散热的特种陶瓷材质打造,可有效隔绝外部温度波动的影响;同时搭配Transko自主研发的高精度数字控温电路,通过实时采集恒温槽内温度数据,采用PID闭环控温算法,将恒温槽温度精准维持在晶体的拐点温度附近(约85℃,此温度下晶体的频率稳定性最优),从根本上消除环境温度变化对晶体振动频率的干扰,实现远超传统OCXO的频率稳定性,为高端系统提供绝对可靠的时频基准.
具体来看,OX-P系列OCXO的频率稳定度可达±0.01ppm~±0.1ppm量级(1ppm为百万分之一,1ppb为十亿分之一),其中高端型号频率稳定度可低至±0.01ppm,老化率低至±0.5ppb/天,远优于传统OCXO的±0.1ppm~±1ppm频率稳定度与±1ppb/天老化率,甚至比普通TCXO的频率稳定度高出10-100倍,可提供近乎绝对可靠的本地频率参考,满足高端场景的严苛时频需求.同时,该系列搭载Transko晶振独家研发的双重频率校准技术,通过芯片级精准校准与系统级动态校准相结合的方式,实现全生命周期的频率精准管控:芯片级校准在生产过程中完成,通过高精度测试设备对每一颗晶体进行单独校准,确保出厂时频率精度达标;系统级动态校准则在设备运行过程中实时进行,自动抵消晶体老化,电源电压波动,环境湿度变化等因素带来的频率偏差,确保产品在长期运行过程中(使用寿命可达5-10年),频率输出的一致性与稳定性始终保持最优水平.这种极致的频率稳定性,使其能够完美适配5G基站,高端测试仪器,工业精密控制,航空航天等对时频精度要求严苛的场景,为各类高端系统提供稳定可靠的时频基准支撑,筑牢系统运行的核心根基.
(二)超低相位噪声,解锁高频谱效率
相位噪声是衡量OCXO性能的另一项关键核心指标,直接影响信号的调制误差率(EVM),信噪比(SNR),尤其在5G通信晶振,毫米波应用,高端测试测量等场景中,对相位噪声的要求极为严苛.随着5G技术向高阶调制(如1024QAM),毫米波频段(24GHz以上)迭代,相位噪声的影响被进一步放大——相位噪声过大会恶化信号质量,限制高阶调制技术的有效应用,导致数据传输速率下降,误码率升高;在毫米波频段,相位噪声通过上变频过程被放大,会严重影响系统的信噪比与信号覆盖能力,制约5G网络的性能发挥.OX-P系列OCXO凭借高品质晶体基材与稳定的恒温环境,在相位噪声性能上实现重大突破:晶体基材选用高纯度人工合成石英晶体,经过精密切割,抛光与老化处理,有效降低晶体本身的振动噪声;同时,稳定的恒温环境避免了温度波动导致的相位抖动,搭配优化的内部电路设计,最大限度抑制电路噪声干扰,使得该系列近端(1Hz至1kHz偏移)相位噪声表现极为优异,在100Hz偏移处的相位噪声可低于-150dBc/Hz,在1kHz偏移处可低于-160dBc/Hz,提供超洁净的频谱特性,完美契合高端场景的相位噪声要求.
这种超低相位噪声优势,可全面提升各类高端设备的性能表现,解锁高频谱效率与高精度运行能力:在5G通信领域,可为5G基站发射机和接收机链路提供纯净的本振信号,有效支撑1024QAM等超高阶调制技术的实现,降低信号误码率,保障毫米波频段信号的传输质量与覆盖范围,同时助力5G网络实现更高的频谱效率,提升网络容量与用户体验;在高端测试测量领域,可作为测试仪器的核心频率基准,大幅提升示波器,信号发生器,频谱分析仪等设备的测量精度,减少信号干扰带来的测量误差,确保测试数据的准确性与可靠性,助力科研机构,企业研发部门实现更高精度的测试与分析工作,推动技术研发与产品创新;在工业精密控制场景中,可确保控制信号的稳定性与纯净度,提升工业控制器,伺服系统的控制精度与响应速度,减少因信号干扰导致的生产误差,助力工业生产向自动化,精密化,智能化升级,降低生产成本,提升生产效率.
(三)小型低耗设计,适配高端设备集成需求
传统OCXO受限于恒温槽结构设计与加热电路的固有缺陷,往往存在体积偏大,功耗偏高的突出问题,成为制约其在小型化高端设备中应用的关键瓶颈:传统OCXO的功耗普遍在1-3瓦特,部分型号在低温环境下(如-40℃),为维持恒温槽温度,加热功率会骤增至5瓦特以上,不仅消耗大量能源,还会产生大量热量,增加设备的散热压力,影响设备整体运行稳定性;在体积方面,传统OCXO的体积多在14mm×9mm×5mm以上,体积笨重,难以适配5G微站,便携式测试仪器,高端车载模块,小型航空航天设备等小型化,低功耗蓝牙模块晶振设备的设计需求,要么被迫牺牲设备的便携性,要么妥协OCXO的性能,难以实现"高性能与小型化"的兼顾.TranskoOX-P系列OCXO针对性优化设计,通过结构革新,工艺升级与电路优化,在保证极致性能的前提下,实现了体积与功耗的双重突破,彻底打破了"高端OCXO必笨重,高功耗"的行业困境,完美适配小型化高端设备的集成需求.
在体积方面,OX-P系列采用小型化封装设计,依托Transko自主研发的超薄恒温槽结构与高密度集成工艺,将恒温槽,加热电路,控制电路等核心组件进行一体化集成,大幅压缩器件体积,封装尺寸覆盖7mm×5mm×3mm~12mm×9mm×4mm多种规格,可根据不同设备的空间需求灵活选型.相较于传统OCXO,该系列体积缩小40%以上,其中7mm×5mm×3mm规格的型号,体积仅为传统OCXO的1/3,小巧的身形可轻松嵌入小型化高端设备内部,无需额外占用过多空间,为设备设计师提供更广阔的设计空间,助力高端设备向微型化,集成化方向迭代,尤其适配5G微站,便携式测试仪器,车载智能模块等对体积要求严苛的场景.在功耗方面,通过优化恒温控制电路的功率分配,采用低功耗晶体振动模式与高效加热元件,OX-P系列的工作功耗低至0.3W~0.8W,相较于传统OCXO功耗降低60%以上,即使在低温环境下,功耗也能稳定控制在1W以内.这种低功耗设计,不仅大幅减少了设备的能源消耗,契合绿色低碳的发展趋势,还降低了设备的散热压力,无需额外配备复杂的散热结构,进一步缩小设备体积,尤其适配便携式测试仪器,车载控制器晶振电子,应急通信设备等对功耗敏感的高端场景,有效延长设备续航时长,提升用户使用体验.
(四)快速预热+强环境适应,提升场景适配能力
传统OCXO由于需要将恒温槽从室温加热至恒定的拐点温度(约85℃),往往存在预热时间过长的问题,通常需要3-5分钟,部分高端型号甚至需要10分钟以上才能达到稳定工作状态.这种漫长的预热时间,在应急通信,便携式测试,车载应急启动等场景中,难以快速启动并稳定工作,成为制约OCXO应用范围的重要因素,无法满足这类场景的快速响应需求.TranskoOX-P系列OCXO通过双重优化,实现了快速预热功能:一方面优化恒温槽结构,采用高导热材质与紧凑设计,加快热量传递效率,减少热量损耗;另一方面优化加热电路,采用高效加热元件与智能功率控制算法,根据环境温度自动调节加热功率,在低温环境下加大加热功率,快速升温,在接近目标温度时降低功率,精准控温,最终将预热时间缩短至30秒~60秒,相较于传统OCXO预热时间缩短70%以上,可快速达到稳定工作状态,完美满足应急通信,便携式测试,车载应急启动等场景的快速启动需求,大幅提升设备的实用性与响应速度.
同时,该系列具备优异的环境适应性,经过严苛的工业级测试与验证,可从容应对各类复杂恶劣环境,进一步拓宽应用场景边界.在温度适应性方面,工作温度范围覆盖-40℃~+85℃,可轻松应对北方冬季户外的极端低温(-40℃),工业高温车间的恶劣环境(+85℃),车载电子的高低温循环(-40℃~+85℃反复切换)等场景,且在此温度范围内,凭借精准的恒温控制技术,频率稳定性始终保持最优水平,不会出现频率漂移,性能衰减,无法启动等问题,确保设备在极端环境下依然能稳定运行.在抗振动与抗冲击方面,OX-P系列的抗震强度可达800G(加速度),远超行业同类产品的600G标准,内部采用加固型引线设计与柔性缓冲结构,引线选用高强度导电合金材质,搭配精准的封装工艺,可有效吸收设备跌落,振动,冲击带来的冲击力,避免内部晶体,恒温槽与电路损坏,确保频率输出稳定,适配工业机器人,车载设备,户外通信设备等易受振动影响的场景.在抗电磁干扰方面,采用全屏蔽式封装设计,封装外壳选用高导电屏蔽材质,内部设置独立的电磁屏蔽层,可有效隔绝外部电磁干扰(如工业设备,通信信号,车载电子产生的电磁辐射),屏蔽效能达到35dB以上,确保在电磁环境复杂的工业,通信,车载场景中依然能保持稳定运行,进一步提升产品的可靠性与场景适配能力.
全场景赋能:聚焦高端领域,解锁时频应用新可能
Transko特兰斯科振荡器OX-P系列OCXO凭借"极致稳定,超低相位噪声,小型低耗,快速预热"的四大核心优势,彻底打破了传统OCXO的应用局限,精准适配5G通信,工业控制,测试测量,高端车载电子,航空航天等多个高端领域,成为各类高端设备的核心时频基准器件,为终端设备向高精度,小型化,低功耗,高可靠方向迭代升级提供核心支撑.与同类OCXO产品相比,该系列不仅在性能上实现全方位领先,还能根据不同场景的差异化需求,提供灵活的定制化方案,兼顾性能与实用性,成为高端时频应用的优选方案,助力各行业实现技术升级与产品创新.在5G通信领域,OX-P系列OCXO完美适配5G基站(宏站,微站),基站控制器,核心网设备,毫米波终端等各类通信终端,成为5G网络基础设施的核心时频器件.5G网络对时间同步精度要求极高,基站间需实现纳秒级时间同步,否则会出现交叉时隙干扰,降低网络容量与用户体验,而OX-P系列极致的频率稳定性(±0.01ppm~±0.1ppm)与超低相位噪声,可确保基站间实现精准时间同步,规避交叉时隙干扰,保障网络容量与信号传输质量;同时,其小型低耗设计可完美适配5G微站的小型化集成需求,无需占用过多安装空间,降低微站的部署难度与成本;快速预热功能可确保基站在应急通信场景中(如自然灾害,突发事故)快速启动并稳定运行,快速响应通信需求,保障通信畅通.此外,其稳定的频率输出还能支撑5GNR载波聚合,超精细频谱切片,毫米波通信等先进技术的实现,释放5G网络的最大性能潜力,助力5G通信向高速率,低时延,广连接方向发展.
在工业控制领域,OX-P系列OCXO广泛适配工业精密控制器,PLC(可编程逻辑控制器),伺服系统,工业机器人,精密数控机床等高端工业设备,为工业生产的自动化,精密化提供可靠时频支撑.工业精密控制场景对时序同步精度与信号稳定性要求极高,哪怕微小的频率偏差,都可能导致生产误差,设备故障,影响生产效率与产品质量,而OX-P系列极致的频率稳定性与低相位噪声,可确保控制信号的精准传输与时序同步,提升工业设备的控制精度与运行可靠性,将生产误差控制在微米级以内,助力工业生产向精密化升级;同时,其强环境适应性可抵御工业车间的高温,振动,电磁干扰,湿度变化等复杂环境,确保设备长期稳定运行,减少设备故障与停机时间,降低设备维护成本,提升生产效率.例如,在精密数控机床中,搭载OX-P系列OCXO后,可实现更高精度的切削与加工,提升零部件的加工精度与一致性;在工业应用晶振机器人中,可确保机器人动作的精准性与协调性,提升生产自动化水平.在测试测量领域,OX-P系列OCXO是高端测试仪器的核心频率基准,广泛适用于高端示波器,信号发生器,频谱分析仪,频率计数器,精密万用表等测试仪器,大幅提升测试仪器的测量精度与稳定性.测试测量仪器的核心性能取决于频率基准的精度,而OX-P系列OCXO提供的高精度频率基准(频率稳定度±0.01ppm~±0.1ppm)与超低相位噪声,可有效减少信号干扰带来的测量误差,确保测试数据的准确性与可靠性,助力科研机构,企业研发部门实现更高精度的测试与分析工作.例如,在频谱分析仪中,搭载OX-P系列OCXO后,可实现对微弱信号的精准检测与分析,提升频谱测量的分辨率;在信号发生器中,可生成纯净,稳定的信号,为电子设备的研发,测试提供可靠的信号源,推动技术研发与产品创新,尤其适用于半导体芯片,通信设备,高端电子元器件等领域的研发与测试工作.
在高端车载电子领域,OX-P系列OCXO适配车载自动驾驶辅助系统(ADAS),车载通信模块,车载导航系统,车载娱乐系统等各类高端车载终端,契合车载电子的严苛需求,推动车载电子向高端化,智能化迭代.汽车行驶过程中会遭遇颠簸,振动,高低温循环,电磁干扰等复杂环境,对车载器件的可靠性与环境适应性提出极高要求,而OX-P系列的强环境适应性(-40℃~+85℃宽温域,800G抗震,强抗电磁干扰),可有效抵御这些外部影响,确保车载设备稳定运行;其低功耗设计可降低车载设备的能量消耗,适配新能源汽车的低功耗需求,助力新能源汽车提升续航里程;极致的频率稳定性可确保车载系统的时序同步与信号传输稳定,为自动驾驶辅助系统的精准决策提供可靠支撑——例如,在ADAS系统中,可确保雷达,摄像头等传感器的数据同步采集与传输,提升自动驾驶的精准性与安全性;在车载导航系统中,可确保定位精度,避免因频率偏差导致的定位误差,提升导航体验.
此外,OX-P系列OCXO还可广泛适配航空航天,军用通信晶振,医疗电子等高端场景,发挥极致稳定与高可靠的核心优势,赋能各领域技术升级.在航空航天领域,该系列OCXO可适配卫星通信设备,航空导航系统,航天器控制系统等终端,其高可靠性与极致稳定性可确保设备在太空极端环境(高低温,真空,强辐射,微振动)下稳定运行,为航天器的精准控制,通信传输提供可靠时频基准,保障航空航天任务的顺利开展;在高端医疗电子领域,可适配精密医疗诊断设备,医疗监护仪,高端影像设备等终端,其高精度频率稳定性可保障医疗数据采集与传输的精准性,避免因频率偏差导致的诊断误差,为医疗诊断与监测提供可靠支撑,守护人体健康——例如,在高端核磁共振(MRI)设备中,可确保成像精度,助力医生精准诊断病情.
值得一提的是,Transko凭借"研发-生产-供应链"的全产业链布局优势,为OX-P系列OCXO的稳定供应与精准适配提供了坚实保障,彻底解决客户的后顾之忧.在研发端,Transko拥有专业的时频技术研发团队,可根据客户的具体场景需求,提供定制化的适配方案,包括频率定制(覆盖1MHz~100MHz),封装定制,功耗优化,相位噪声优化等,满足不同高端场景的差异化需求;在生产端,依托全球标准化生产基地,配备先进的生产设备与检测设备,实现该系列OCXO的稳定量产与高质量管控,可快速响应客户订单需求,缩短交货周期;在供应链端,Transko建立了完善的供应链体系,与全球优质原材料供应商达成长期合作,确保晶体基材,封装材料等核心原材料的稳定供应与品质可控,避免了外部供应链带来的适配难题,性能偏差与交货周期问题.此外,Transko还提供专业的技术支持服务,配备资深技术工程师团队,为客户提供从产品选型,测试调试到售后维护的全流程技术支持,协助客户快速完成产品集成与切换,最大限度降低客户的研发成本与周期.
品牌加持:以匠心铸品质,以创新领未来
作为深耕时频器件领域数十年的创新企业,Transko始终将品质与创新放在首位,以匠心铸品质,以严苛守初心,为OX-P系列OCXO的高品质提供了坚实保障.Transko建立了全流程品质追溯体系,从原材料采购,晶体基材的筛选,恒温槽的加工,电路设计与封装,到最终的成品测试,每一个环节都遵循国际最高行业标准(如ISO9001质量管理体系,ISO14001环境管理体系),配备先进的检测设备与专业的检测团队,确保产品的一致性与可靠性.每一款OX-P系列OCXO,都需经过数十项严苛的检测项目,包括频率稳定性测试,相位噪声测试,恒温控制精度测试,抗震性测试,抗电磁干扰测试,长期老化测试,高低温循环测试,湿度测试等,只有全部通过所有测试项目,各项指标均达到标准的产品,才能出厂交付客户.凭借严苛的品质管控,该系列产品的故障率远低于行业平均水平,可达百万分之二以下,为终端设备的长期稳定运行提供坚实保障,赢得了全球众多高端客户的认可与信赖.
在技术研发方面,Transko石英晶振始终坚持创新驱动,投入大量研发资金(占企业年营收的15%以上),持续推进OCXO技术的迭代升级,保持行业技术领先性.Transko组建了一支由资深时频技术专家,材料工程师,工艺专家,电路设计师组成的专业研发团队,聚焦5G通信,工业精密控制,航空航天等新兴高端领域的需求痛点,不断突破技术瓶颈,优化产品性能.针对OX-P系列OCXO,研发团队持续攻关恒温控制精度,相位噪声优化,低功耗设计,小型化封装等核心技术,通过迭代优化数字控温算法,改进晶体加工工艺,优化电路结构,进一步提升产品的性能竞争力;同时,密切关注行业技术发展趋势,提前布局下一代高端OCXO研发,结合MEMS技术,数字化控温技术,三维集成技术,推动OCXO向更小型,更低功耗,更高精度,更智能的方向发展,确保技术领先性,为全球客户提供更具竞争力的时频解决方案.
在电子设备向高端化,精密化,智能化迭代的浪潮下,时频精度已成为衡量高端设备性能的核心指标之一,OCXO作为高端时频应用的核心器件,其性能直接决定各行业的技术升级与产品创新.Transko将继续坚守匠心,以创新驱动发展,持续深耕时频器件领域,不断完善产品矩阵,推出更多兼具高性能,高可靠性,高性价比的产品,涵盖OCXO,TCXO,MEMS振荡器,晶体谐振器等全系列频率器件,满足不同高端场景的差异化需求.同时,Transko将依托全产业链优势与专业的技术服务能力,为全球客户提供更优质,更贴合需求的解决方案,助力客户在激烈的市场竞争中抢占先机,推动高端电子产业向更高质量,更智能,更绿色的方向发展.
从"极致稳定突破"到"全高端场景赋能",TranskoOX-P系列OCXO以核心技术打破行业痛点,以卓越性能赋能高端设备创新,凭借"极致频率稳定,超低相位噪声,小型低耗,快速预热"的四大核心优势,成为高端时频领域的核心赋能者,重新定义了高端OCXO的性能标准.无论是5G通信的高速发展,工业生产的精密升级,还是测试测量的精准提升,车载电子的智能迭代,OX-P系列都能提供高效,可靠的时频基准支撑,助力每一款高端设备实现"精准运行,稳定可靠,高效节能"的核心目标.未来,Transko将继续秉持"技术创新,品质至上"的核心理念,与全球合作伙伴携手,共赴时频器件产业的美好未来,持续推动高端电子产业向更高质量,更智能,更绿色的方向发展,为各行业的技术进步注入源源不断的动力.
Transko推出OX-P系列OCXO
|
KDS晶振 |
1AJ250004B |
SMD-49 |
11*4.6 |
25.000MHZ |
20PF |
|
KDS晶振 |
1ZZCAA24000BE0B |
DSX211G |
2016 |
24.000MHZ |
10PF |
|
KDS晶振 |
1N227000BB0AK |
DSX321G |
3225 |
27.000MHZ |
11PF |
|
KDS晶振 |
1N230000AB0C |
DSX321G |
3225 |
30.000MHZ |
10PF |
|
KDS晶振 |
1N240000AB0J |
DSX321G |
3225 |
40.000MHZ |
15PF |
|
KDS晶振 |
1XSE098304AR2 |
DSO321SR |
3225 |
98.304MHZ |
3.3V |
|
KDS晶振 |
1AJ100005B |
SMD-49 |
11*4.6 |
10.000MHZ |
12PF |
|
KDS晶振 |
1ZN326000AB0A |
DSX221SH |
2520 |
26.000MHZ |
7PF |
|
KDS晶振 |
1AJ240006AEA |
SMD-49 |
11*4.6 |
24.000MHZ |
16PF |
|
KDS晶振 |
1AJ240006AK |
SMD-49 |
11*4.6 |
24.000MHZ |
16PF |
|
KDS晶振 |
1AJ240006BB |
SMD-49 |
11*4.6 |
24.000MHZ |
16PF |
|
KDS晶振 |
1AJ245765C |
SMD-49 |
11*4.6 |
24.576MHZ |
18PF |
|
KDS晶振 |
ZC08759 |
DSO211AH |
2016 |
25.000MHZ |
3.3V |
|
KDS晶振 |
1AR270002GA |
SMD-49 |
11*4.6 |
27.000MHZ |
12.9PF |
|
KDS晶振 |
1AR304002A |
SMD-49 |
11*4.6 |
30.400MHZ |
12PF |
|
KDS晶振 |
1XXD16367MAA |
DSB211SDN |
2016 |
16.367MHZ |
3.3V |
|
KDS晶振 |
ZC12467 |
DSA211SDN |
2016 |
16.32MHZ |
3.3V |
|
KDS晶振 |
1XXB16367MAA |
DSB221SDN |
2520 |
16.367MHZ |
2.8V |
|
KDS晶振 |
1XXB16369JFA |
DSB221SDN |
2520 |
16.369MHZ |
3.3V |
|
KDS晶振 |
ZC09382 |
DSA535SG |
5032 |
18.432MHZ |
3.3V |
|
KDS晶振 |
ZC12456 |
DSB211SDN |
2016 |
16.320MHZ |
3.3V |
|
KDS晶振 |
1ZNA32000BB0B |
DSX221G |
2520 |
32.000MHZ |
12PF |
|
KDS晶振 |
ZC12965 |
DSA321SDN |
3225 |
23.04MHZ |
3.3V |
|
KDS晶振 |
ZC13727 |
DSX221SH |
2520 |
24.000MHZ |
10PF |
|
KDS晶振 |
1ZNA16000AB0P |
DSX221G |
2520 |
16.000MHZ |
9PF |
|
KDS晶振 |
X1H013000B81H |
HSX531S |
5032 |
13.000MHZ |
8PF |
|
KDS晶振 |
X4S013000DA1H-W |
HSX421S |
4025 |
13.000MHZ |
10PF |
|
KDS晶振 |
1XSE009600AV |
DSO321SV |
3225 |
9.6MHZ |
3.3V |
|
KDS晶振 |
1XSE012000AR58 |
DSO321SR |
3225 |
12.000MHZ |
3.3V |
|
KDS晶振 |
1ZZNAE48000ZZ0R |
DSX211SH |
2016 |
48.000MHZ |
7PF |
|
KDS晶振 |
1N227000EE0L |
DSX321G |
3225 |
27.000MHZ |
9PF |
|
KDS晶振 |
1ZZCAA27120BB0D |
DSX211G |
2016 |
27.12MHZ |
10PF |
|
KDS晶振 |
1N226000AA0L |
DSX321G |
3225 |
26.000MHZ |
7.5pf |
|
KDS晶振 |
1N226000AA0G |
DSX321G |
3225 |
26.000MHZ |
12.5PF |
|
KDS晶振 |
1RAK38400CKA |
DSR211STH |
2016 |
38.4MHZ |
7pf |
|
KDS晶振 |
7CG03840A06 |
DSR1612ATH |
1612 |
38.400MHZ |
8PF |
|
KDS晶振 |
1CX40000EE1O |
DSX840GA |
8045 |
40.000MHZ |
18PF |
|
KDS晶振 |
1SF805E1MM |
LOW PASS FILTER 1/4IN |
|
|
|
|
KDS晶振 |
1XSA050000AVW |
DSO751SV |
7050 |
50.000MHZ |
3.3V |
|
KDS晶振 |
1ZCP37400AA0H |
DSX211AL |
2016 |
37.400MHZ |
10PF |
|
KDS晶振 |
1XSR025000AR25 |
DSO751SR |
7050 |
25.000MHZ |
3.3V |
|
KDS晶振 |
1AC112893EA |
AT-49 |
11*4.6 |
11.2893MHZ |
10PF |
|
KDS晶振 |
1AC125821EA |
AT-49 |
11*4.6 |
12.58291MHZ |
8.8PF |
|
KDS晶振 |
1XVD008192VB |
DSV321SV |
3225 |
8.192MHZ |
3.3V |
|
KDS晶振 |
1XVD024000VA |
DSV321SV |
3225 |
24.000MHZ |
3.3V |
|
KDS晶振 |
1AR245766AZ |
SMD-49 |
11*4.6 |
24.576MHZ |
20PF |
|
KDS晶振 |
1AR245766BE |
SMD-49 |
11*4.6 |
24.576MHZ |
|
|
KDS晶振 |
1AR270002CG |
SMD-49 |
11*4.6 |
27.000MHZ |
10PF |
|
KDS晶振 |
1AR270002CGA |
SMD-49 |
11*4.6 |
27.000MHZ |
10PF |
|
KDS晶振 |
1N226000AA0E |
DSX321G |
3225 |
26.000MHZ |
8.1PF |
|
KDS晶振 |
1AR270002EH |
SMD-49 |
11*4.6 |
27.000MHZ |
12PF |
|
KDS晶振 |
1AV270002BA |
SMD-49 |
11*4.6 |
27.000MHZ |
16PF |
|
KDS晶振 |
1AY289002DB |
AT-49 |
11*4.6 |
28.900MHZ |
12PF |
|
KDS晶振 |
1C228322EE0D |
DSX321G |
3225 |
28.322MHZ |
10PF |
|
KDS晶振 |
1C254000CC0C |
DSX321G |
3225 |
54.000MHZ |
10PF |
|
KDS晶振 |
1C319200AA0A |
DSX321G |
3225 |
19.200MHZ |
8PF |
|
KDS晶振 |
1C338400AA0B |
DSX321G |
3225 |
38.400MHZ |
10PF |
|
KDS晶振 |
1C707600CC1B |
DSX530GA |
5032 |
7.600MHZ |
10PF |
|
KDS晶振 |
1C736864CC1A |
DSX530GA |
5032 |
36.864MHZ |
8PF |
|
KDS晶振 |
1CW04000KK3C |
DSX151GAL |
11.8*5.5 |
4.000MHZ |
12PF |
泰河盛微信号
在线留言
收藏网站
网站地图
手机版
全球咨询热线:



快速通道