12.80101|KX-38T|32.768KHz|12.5pF|丹麦格耶晶振
频率:32.768KHz
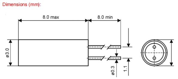
尺寸:3.0×8.0mm
12.80101|KX-38T|32.768KHz|12.5pF|丹麦格耶晶振,丹麦格耶晶振,KX-38T进口晶振,音叉晶振,12.80101晶振,无源晶振,圆柱插件晶振,石英晶体谐振器,3×8mm晶振,频率32.768KHz,负载12.5pF,工作温度-40~85°C,频率容差20ppm,高稳定性晶振,高品质晶振,抗冲击晶振,数字设备晶振,物联网晶振,随身听晶振,家用电视机顶盒晶振.
![]()
12.80101|KX-38T|32.768KHz|12.5pF|丹麦格耶晶振,丹麦格耶晶振,KX-38T进口晶振,音叉晶振,12.80101晶振,无源晶振,圆柱插件晶振,石英晶体谐振器,3×8mm晶振,频率32.768KHz,负载12.5pF,工作温度-40~85°C,频率容差20ppm,高稳定性晶振,高品质晶振,抗冲击晶振,数字设备晶振,物联网晶振,随身听晶振,家用电视机顶盒晶振.

12.80101|KX-38T|32.768KHz|12.5pF|丹麦格耶晶振规格表
mode
part no.
12.80101
model
KX-38T
frequency range
32.768KHz
fundamental
operating temperature
-40~+85℃
frequency tolerance at +25°C
土20 ppm
temperature tolerance
load capacitance CL
12.5 pF
shunt capacitance C0 max.
1.3 pF
series resistance R1 (ESR) max.
30 kOhm
aging at +25°℃ (first year) max.
±3 ppm
drive level
0.02 mW max., 0.01 mW typ
solderable
wave soldering max. 10 s 260°C following reflow soldering only up to 240°C

泰河盛微信号
在线留言
收藏网站
网站地图
手机版
全球咨询热线:


