ITTI晶振,C2K系列32.768K晶振,C2KC20-32.768-15-3.3V音叉振荡器
频率:32.768KHz
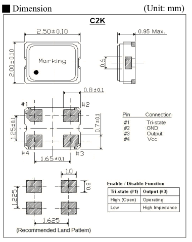
尺寸:2.5x2.0mm
ITTI晶振,C2K系列32.768K晶振,C2KC20-32.768-15-3.3V音叉振荡器,32.768KHz是款实时时钟晶振,它的作用是可以产生时序电路基准信号。而之所以选用32.768K是因为它是2的15次幂,是因为可以很精确的得到一秒的计时。不仅如此,包括所有的实时时钟晶振一般都是32.768或其倍频。贴片32.768K晶振的负载电容都是12.5pf。常用32.768K晶振的电子产品有智能手机、智能手表、安防和可穿戴设备等等。也还有很多生活类、工业类电子也会常用到这款频率的进口晶振.
ITTI抱着简单而创新的宗旨,为各客户提供优质,经济的石英电子,更希望成为各位客户之长远合作伙伴; 拥有全面,先进之石英晶振,贴片晶振,石英晶体谐振器,包括,石英晶体振荡器,晶体滤波器(Crystal Filter)、陶瓷谐振器(Ceramic Resonator) 与及其他最先进之晶体振荡器(Crystal Oscillator)…。等产品。我们拥有可媲美世界一级水平之能力及资源。ITTI是一间总部设于美国的跨国公司,同时亦承诺为客户提供优质的服务。由于客户已经不断将他们的企业计划转移至亚洲地区,有见及此,管理层决定于2000年在香港设立地区总部,并引领专业的团体在管理、工程、营销和销售提供更好的服务给客户。过后,我们亦在韩国,中国大陆和台湾地区设置销售办事处,使我们与客户及市场拉近距离,并且更能了解到客户的需求和期望,从而建立了一个更稳固的良好关系。透过深入了解,美国ITTI石英晶体通过其科研,品质控制,生产的深入认知及专业见解,ITTI令到每个生产基地都善用资源,而借此提高及供应最优质之产品,透过与生产线人员之紧密联系,ITTI晶振往往能够为各位客户生产其满意之产品,也正是贯彻ITTI营运作风,无论在品质上,经济上都绝不逊色世界一级之水平。基于前述之种种优势,ITTI矢志在石英晶体行业内创出一番新气象,希望能够成为阁下最忠诚的厂商。我们致力为客户生产质优而价廉之产品及提供完善之服务乃是ITTI一贯之宗旨。
| Output Waveform | CMOS | |||
| Frequency Range | 32.768KHz | |||
| Temperature Stability | ±20 to ±100ppm | |||
| Operating Temperature Range | 0°C to +70°C / -40°C to +85°C | |||
| Storage Temperature Range | -55°C to +125°C | |||
| Aging | ±3ppm/year Max. | |||
| Supply Voltage (Vcc) | 1.8V DC ±5% | 2.5V DC ±5% | 3.3V DC ±5% | |
| Supply Current | 1.5mA Max | 2.5mA Max | 3.5mA Max | |
| Symmetry | 40 / 60% ( at 50% Vcc) ; 45 / 55% available | |||
| Output Load | 15pF | |||
| Rise and Fall Time | 50nS Max | |||
| Output Voltage | VOL | 10% Vcc Max | ||
| VOH | 90% Vcc Min | |||
| Tristate Option | Enable | Pin 1 = Hi or Open , Pin 3 active | ||
| Disable | Pin 1 = Lo , Pin 3 High Z | |||
ITTI晶振,C2K系列32.768K晶振,C2KC20-32.768-15-3.3V音叉振荡器
热影响
重复的温度巨大变化可能会降低受损害的石英晶振产品特性,并导致塑料封装里的线路击穿.必须避免这种情况.
安装方向
石英晶体振荡器的不正确安装会导致故障以及崩溃,因此安装时,请检查安装方向是否正确.
通电
不建议从中间电位和/或极快速通电,否则会导致无法产生振荡和/或非正常工作.
有源晶振的负载电容与阻抗
负载电容与阻抗有源晶振设置一个规定的负载阻抗值.当一个值除了规定的一个设置为负载阻抗输出频率和输出电平不会满足时,指定的值这可能会导致问题例如:失真的输出波形.特别是设置电抗,根据规范的负载阻抗.输出频率和输出电平,当测量输出频率或输出水平,石英晶体振荡器调整的输入阻抗,测量仪器的负载阻抗晶体振荡器.当输入阻抗的测量仪器,不同的负载阻抗的晶体振荡器,测量输出频率或输出水平高,阻抗阻抗测量可以忽略.
抗冲击
抗冲击是指晶振产品可能会在某些条件下受到损坏.例如从桌上跌落,摔打,高空抛压或在贴装过程中受到冲击.如果产品已受过冲击请勿使用.因为无论何种贴片石英晶振,其内部晶片都是贴片晶振制作而成的,高空跌落摔打都会给晶振照成不良影响.
耐焊性:
将晶振加热包装材料至+150℃以上会破坏产品特性或损害产品.如需在+150℃以上焊接石英晶振,建议使用有源贴片晶振产品.在下列回流条件下,对石英耐高温晶振产品甚至晶振使用更高温度,会破坏晶振特性.建议使用下列配置情况的回流条件.安装这些贴片晶振之前,应检查焊接温度和时间.同时,在安装条件更改的情况下,请再次进行检查.如果需要焊接的晶振产品在下列配置条件下进行焊接,请联系我们以获取耐热的相关信息.
ITTI晶振,C2K系列32.768K晶振,C2KC20-32.768-15-3.3V音叉振荡器
环保基本理念:
1.作为良好的企业市民,遵循本公司的行动方针,充分关心维护地球环境。遵守国内外的有关环保法规。
2.保护自然环境,充分关注自然生态等方面的环境保护,维持和保全生物多样性。
3.有效利用资源和能源,认识到资源和能源的有限性,努力进行有效利用。
4.为构建循环型社会做出贡献,致力于减少废弃物及废弃物的再利用核再生循环,努力构建循环型社会。
5.推进环保型业务,充分发挥综合实力,推进环保型业务,为减轻社会的环境负荷做出贡献。
6.建立环境管理系统,充分运用环境管理系统,设定环境目的和目标,定期修正,不断改善,努力预防环境污染。
美国ITTI石英晶体环保环境与发展对策:实行可持续发展战略。采取有效措施,防治工业污染。提高能源利用效率,改善能源结构。运用经济手段保护环境。大力推进科技进步,加强环境科学研究,积极发展环境保护产业。健全环境法规,强化环境管理。加强环境教育,不断提高环境意识。
完全符合ISO14001环境管理体系国际标准的要求,体现了一个适合、三个承诺和一个框架:
建造美丽家园——适合于我公司的生产活动、产品以及服务过程的性质。规模与环境影响;
持续改进——持续改进环境绩效和环境管理体系的承诺;
减少污染,节能降耗——污染预防的承诺;
依法治理——遵守现行适用的环境法律、法规和其他要求的承诺;
“减少污染,节能降耗,建造美丽家园;依法治理,持续改进,净化一片蓝天”提供了建立和评审环境目标和指标的框架。
服务热线:0755-27872782 13824306246
贸易通:泰河科技
在线客服:794113422 泰河微信号:taiheth794113422 公众号:taihekj
泰河邮箱:taiheth@163.com
泰河地址:广东深圳市宝安区40区33号工业城6楼
跟此产品相关的产品 / Related Products

- 日产SMI晶振,SXO-2200HGED小体积晶振,智能家居应用晶振
- 温补晶振即温度补偿晶体振荡器(TCXO),是通过附加的温度补偿电路使由周围温度变化产生的振荡频率变化量削减的一种石英晶体振荡器。2520mm小体积的温补晶体振荡器,有源晶振,该产品可驱动2.5V的温补晶振,压控晶振,VC-TCXO晶振产品,电源电压的低电耗型,编带包装方式,可对应自动高速贴片机自动焊接,及IR回流焊接(无铅对应),为无铅产品,超小型,质地轻.产品被广泛应用到集成电路,程控交换系统,无线发射基站。

- SMI晶振,SXO-2200HG温补晶体振荡器,医疗设备应用晶振
- 温补晶振即温度补偿晶体振荡器(TCXO),是通过附加的温度补偿电路使由周围温度变化产生的振荡频率变化量削减的一种石英晶体振荡器。2520mm小体积的温补晶体振荡器,有源晶振,该产品可驱动2.5V的温补晶振,压控晶振,VC-TCXO晶振产品,电源电压的低电耗型,编带包装方式,可对应自动高速贴片机自动焊接,及IR回流焊接(无铅对应),为无铅产品,超小型,质地轻.产品被广泛应用到集成电路,程控交换系统,无线发射基站。

- SMI晶振,SXO-2200系列2520mm晶振,WIFI模块应用晶振
- 2520mm体积的石英晶体振荡器有源晶振,该产品可驱动2.5V的温补晶振,压控晶振,VC-TCXO晶振产品,电源电压的低电耗型,编带包装方式,可对应自动高速贴片机自动焊接,及IR回流焊接(无铅对应),为无铅产品,超小型,质地轻.产品被广泛应用到集成电路,程控交换系统,无线发射基站。
石英晶振
- CTS晶振
- 微晶晶振
- 瑞康晶振
- 康纳温菲尔德晶振
- 高利奇晶振
- Jauch晶振
- AbraconCrystal晶振
- 维管晶振
- ECScrystal晶振
- 日蚀晶振
- 拉隆晶振
- 格林雷晶振
- SiTimeCrystal晶振
- IDTcrystal晶振
- PletronicsCrystal晶振
- StatekCrystal晶振
- ILSI晶振
- FOX晶振
- Fujicom晶振
- AEK晶振
- CRYSTEK晶振
- Interquip晶振
- Geyer晶振
- Quartzcom晶振
- qantek晶振
- EUROQUARTZ晶振
- Quarztechnik晶振
- Cardinal晶振
- FRE-TECH晶振
- KVG晶振
- Wi2wi晶振
- AEL晶振
- Transko晶振
- Suntsu晶振
- Mmdcomp晶振
- MERCURY晶振
- MTRONPTI晶振
- ACT晶振
- MTI-MILLIREN晶振
- LIHOM晶振
- CTECH晶振
- rubyquartz晶振
- OSCILENT晶振
- NAKA晶振
- Shinsung晶振
- ITTI晶振
- SMI晶振
- PDI晶振
- IQD晶振
- Microchip晶振
- Silicon晶振
- Fortiming晶振
- CORE晶振
- NIPPON晶振
- NIC晶振
- QVS晶振
- Bomar晶振
- Bliley晶振
- GED晶振
- Filtronetics晶振
- Standard晶振
- Q-Tech晶振
- Anderson晶振
- Wenzel晶振
- NEL晶振
- EM晶振
- PETERMANN晶振
- FCD-Tech晶振
- HEC晶振
- FMI晶振
- AXTAL晶振
- ARGO晶振
- Renesas瑞萨晶振
- Dynamic迪拉尼
谐振器
滤波器
雾化片
SMD晶振
有源晶振
KDS晶振
爱普生晶振
- 爱普生32.768K晶体
- 爱普生 OSC晶振
- 爱普生 OCXO晶振
- 爱普生 VCXO晶振
- 爱普生 TCXO晶振
- 爱普生无源晶振
- 爱普生 CMOS晶振
- 爱普生 LV-PECL晶振
- 爱普生 LVDS晶振
- 爱普生 HCSL晶振
- 爱普生 VC-TCXO晶振
泰河盛微信号
在线留言
收藏网站
网站地图
手机版
全球咨询热线:








咨询热线:
快速通道