S7M25.0000F18M2Z-EXT|NKG Crystal|TAIHETH,NKG晶振,S7M进口晶振,无源晶振,S7M25.0000F18M2Z-EXT晶振,石英晶体谐振器,四脚贴片晶振,7050mm晶振,频率25MHz,负载18pF,工作温度-40~85°C,频率稳定性25ppm,无铅环保晶振,高稳定性晶振,低老化晶振,微处理器晶振,无线局域网晶振,便携式设备晶振,调制解调器晶振.
S7M25.0000F18M2Z-EXT|NKG Crystal|TAIHETH特点:
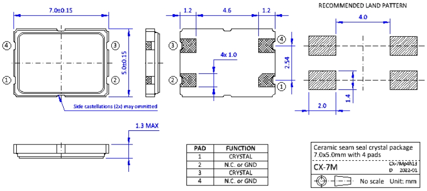
•微型包装尺寸7.0 x 5.0x 1.1mm与4个垫。
•优异的耐热性和抗震性。
•高可靠的缝封封装,低老化。
S7M25.0000F18M2Z-EXT|NKG Crystal|TAIHETH规格表
100Ω
60Ω~50Ω MAX
50Ω~40Ω MAX
40Ω~30Ω MAX
30Ω~20Ω MAX
100Ω~80ΩMAX
FUND MODE 6~10MHZ
FUND MODE 10~14MHz
FUND MODE 14~20MHz
FUND MODE 20~54MHz
3rd OT mode 24~120MHz
PARAMETER
SYMBOL
SPECIFICATIONS
REMARKS
FREQUEN CY RAN GE
FA
25MHZ
-
CUT AND OPERATION MODE
-
AT-CUT / FUNDAMENTAL
-
FREQUENCY TOLERANCE
Δf/f
±20PPM
OTHER OPTIONS AVAILABLE
STABILITY OVER OPERATING TEMP.
TC
±25PPM
D EPEND IN G ON OPERATING TEMPERATURE RAN GE, OTHER OPTIONS AVAILABLE 1
OPERATING TEMPERATURE RANGE
Top
-40°C~+85°C
OPTIONS AVAILABLE
LOAD CAPACITAN CE
CL
18PF
PLEASE SPECIFY LOAD CAPACITANCE
EQUIVALENT SERIES RESISTANCE
ESR
DRIVE LEVEL
DL
100μW TYP,300μW MAX
-
AGING FIRST YEAR
△f/yi
±5 PPM
@+25°C
泰河盛微信号
在线留言
收藏网站
网站地图
手机版
全球咨询热线:


