CTS晶振,石英晶振,ATS晶振,ATS16B晶振,ATS-SM晶振,ATS08ASM-1E晶振
频率:3.2-64MHZ
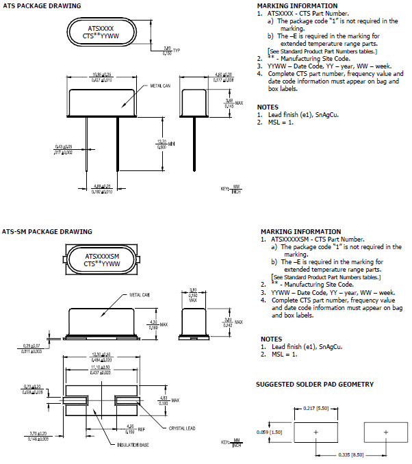
尺寸:10.85*4.5*3.68mm
引线型压电石英晶体采用全新自动生产设备,严格的对每颗晶体各项参数指标检测把关,比如电阻的测量技术:引进一批先进的检测仪器,准确度达到±1ppm(国标标准)。在测量应用上制定一套标准的测量方法保证测量的准确性、仪器的精度、测试的一致性。如下方面都会对测量结果带来影响
CTS晶振,石英晶振,ATS晶振,ATS16B晶振,ATS-SM晶振,ATS08ASM-1E晶振,到20世纪60年代初,芝加哥电话供应公司已经多元化经营多种开关、可变电阻和各种晶振,石英晶体,贴片晶振,有源晶振等电子元件的制造商。然而,该公司20多年来一直没有生产商用电话。几十年来,随着新技术和新产品的创新,新市场不断扩张,很明显,原来的名称不再适合公司。
1960年,芝加哥电话供应公司正式更名为CTS晶振公司,以更准确地反映其多样化的产品线。1962年6月4日那天,CTS晶振公司上市的普通股€?Big那些€?纽约证券交易所。这一天标志着CTS晶振作为一家晶振公司发展的转折点,因为在纽约证券交易所上市,使该公司在国际业务上有了更大的知名度。
与此同时,CTS通过收购和内部开发,扩展了产品组合,包括石英晶体振荡器,压电石英晶振, 压电石英晶体谐振器,有源晶振、水晶过滤器、石英晶体振荡器、选择器开关和扬声器,以及扩展的可变电阻业务。随着电子产品行业的需求被称为电子产品的小型化,CTS晶振公司的反应是制造混合微型电路,设计出更多的功能到更小的包里,在各种各样的应用中,如心脏起搏器和导弹制导系统。CTS晶振,石英晶振,ATS晶振,ATS16B晶振,ATS-SM晶振,ATS08ASM-1E晶振
插件石英晶振最适合用于比较低端的电子产品,比如儿童玩具,普通家用电器,即使在汽车电子领域中也能使产品高可靠性的使用.并且可用于安全控制装置的CPU时钟信号发生源部分,好比时钟单片机上的石英晶振,在极端严酷的环境条件下,晶振也能正常工作,具有稳定的起振特性,高耐热性,耐热循环性和耐振性等的高可靠性能,由于在49/S形晶体谐振器的底部装了树脂底座,就可作为产品电气特性和高可靠性无受损的表面贴片型晶体谐振器使用,满足无铅焊接的回流温度曲线要求.
引线型压电石英晶体采用全新自动生产设备,严格的对每颗晶振各项参数指标检测把关,比如电阻的测量技术:引进一批先进的检测仪器,准确度达到±1ppm(国标标准)。在测量应用上制定一套标准的测量方法保证测量的准确性、仪器的精度、测试的一致性。如下方面都会对测量结果带来影响引脚焊接型石英晶体元件.工厂仓库长时间大量库存常用频点,.高精度的频率和晶振本身更低的等效串联电阻.常用负载电容,49/S石英晶振,因插件型镜头成本更低和更高的批量生产能力.主要应用于电视,机顶盒,LCDM和游戏机家用常规电器数码产品等的最佳选择.符合RoHS/无铅.CTS晶振,石英晶振,ATS晶振,ATS16B晶振,ATS-SM晶振,ATS08ASM-1E晶振
|
CTS晶振规格 |
单位 |
ATS晶振ATS-SM晶振频率范围 |
石英晶振基本条件 |
|
标准频率 |
f_nom |
3.2-64MHZ |
标准频率 |
|
储存温度 |
T_stg |
-40°C ~ +85°C |
裸存 |
|
工作温度 |
T_use |
-20°C ~ +70°C |
标准温度 |
|
激励功率 |
DL |
200μW Max. |
推荐:1μW ~ 100μW |
|
频率公差 |
f_— l |
±50 × 10-6 (标准), |
+25°C 对于超出标准的规格说明, |
|
频率温度特征 |
f_tem |
±30 × 10-6/-20°C ~ +70°C |
超出标准的规格请联系我们. |
|
负载电容 |
CL |
8pF ,10PF,12PF,20PF |
不同负载电容要求,请联系我们. |
|
串联电阻(ESR) |
R1 |
如下表所示 |
-40°C — +85°C, DL = 100μW |
|
频率老化 |
f_age |
±5 × 10-6 / year Max. |
+25°C,第一年 |

卤化合物,CTS晶振,石英晶振,ATS晶振,ATS16B晶振,ATS-SM晶振,ATS08ASM-1E晶振
请勿在卤素气体环境下使用产品。即使少量的卤素气体,比如在空气中的氯气内或封装所用金属部件内,都可能产生腐蚀。同时,请勿使用任何会释放出卤素气体的树脂。
静电
过高的静电可能会损坏产品,请注意抗静电条件。请为容器和封装材料选择导电材料。在处理的时候,请使用电焊枪和无高电压泄漏的测量电路,并进行接地操作。
在设计时
机械振动的影响
当石英晶体产品上存在任何给定冲击或受到周期性机械振动时,比如:压电扬声器,压电蜂鸣器,以及喇叭等,输出频率和幅度会受到影响。这种现象对通信器材通信质量有影响。尽管石英晶体谐振器产品设计可最小化这种机械振动的影响,我们推荐事先检查并按照下列安装指南进行操作。
PCB设计指导
(1) 理想情况下,机械蜂鸣器应安装在一个独立于晶体谐振器件的PCB板上。如果您安装在同一个PCB板上,最好使用余量或切割PCB。当应用于PCB板本身或PCB板体内部时,机械振动程度有所不同。建议遵照内部板体特性。
(2) 在设计时请参考相应的推荐封装。
(3) 在使用焊料助焊剂时,按JIS标准(JIS C 60068-2-20/IEC 60,068-2-20).来使用。
(4) 请按JIS标准(JIS Z 3282, Pb 含量 1000ppm, 0.1wt% 或更少)来使用无铅焊料。CTS晶振,石英晶振,ATS晶振,ATS16B晶振,ATS-SM晶振,ATS08ASM-1E晶振
服务热线:0755-27872782 13824306246
贸易通:泰河科技
在线客服:794113422 泰河微信号:taiheth794113422 公众号:taihekj
泰河邮箱:taiheth@163.com
泰河地址:广东深圳市宝安区40区33号工业城6楼
跟此产品相关的产品 / Related Products
石英晶振
- CTS晶振
- 微晶晶振
- 瑞康晶振
- 康纳温菲尔德晶振
- 高利奇晶振
- Jauch晶振
- AbraconCrystal晶振
- 维管晶振
- ECScrystal晶振
- 日蚀晶振
- 拉隆晶振
- 格林雷晶振
- SiTimeCrystal晶振
- IDTcrystal晶振
- PletronicsCrystal晶振
- StatekCrystal晶振
- ILSI晶振
- FOX晶振
- Fujicom晶振
- AEK晶振
- CRYSTEK晶振
- Interquip晶振
- Geyer晶振
- Quartzcom晶振
- qantek晶振
- EUROQUARTZ晶振
- Quarztechnik晶振
- Cardinal晶振
- FRE-TECH晶振
- KVG晶振
- Wi2wi晶振
- AEL晶振
- Transko晶振
- Suntsu晶振
- Mmdcomp晶振
- MERCURY晶振
- MTRONPTI晶振
- ACT晶振
- MTI-MILLIREN晶振
- LIHOM晶振
- CTECH晶振
- rubyquartz晶振
- OSCILENT晶振
- NAKA晶振
- Shinsung晶振
- ITTI晶振
- SMI晶振
- PDI晶振
- IQD晶振
- Microchip晶振
- Silicon晶振
- Fortiming晶振
- CORE晶振
- NIPPON晶振
- NIC晶振
- QVS晶振
- Bomar晶振
- Bliley晶振
- GED晶振
- Filtronetics晶振
- Standard晶振
- Q-Tech晶振
- Anderson晶振
- Wenzel晶振
- NEL晶振
- EM晶振
- PETERMANN晶振
- FCD-Tech晶振
- HEC晶振
- FMI晶振
- AXTAL晶振
- ARGO晶振
- Renesas瑞萨晶振
- Dynamic迪拉尼
谐振器
滤波器
雾化片
SMD晶振
有源晶振
KDS晶振
爱普生晶振
- 爱普生32.768K晶体
- 爱普生 OSC晶振
- 爱普生 OCXO晶振
- 爱普生 VCXO晶振
- 爱普生 TCXO晶振
- 爱普生无源晶振
- 爱普生 CMOS晶振
- 爱普生 LV-PECL晶振
- 爱普生 LVDS晶振
- 爱普生 HCSL晶振
- 爱普生 VC-TCXO晶振
泰河盛微信号
在线留言
收藏网站
网站地图
手机版
全球咨询热线:



相关产品说明下载PDF资料
咨询热线:
快速通道