NSK晶振,石英晶振,NXF 3-8晶振
频率:32.768KHZ
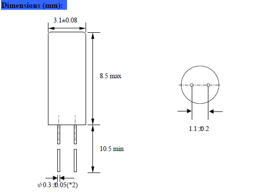
尺寸:3.1×8.5mm
台湾津绽NSK晶振科技是专业的石英晶振,有源晶振,压控振荡器,陶瓷晶振,声表面谐振器,贴片晶振制作商,公司创于台湾1996年成立,创建品牌为【NSK】1997年在香港成立分公司,1998年在深圳成立分部,2001年到广东省东莞市投资建厂,主要生产石英晶体谐振器,无源晶振,与石英晶体振荡器,有源晶振,东冠生产线主要生产小尺寸SMD贴片晶振系列。
台湾津绽NSK晶体主要生产产品为全系列石英晶体振荡子即:石英晶体谐振器,(DIP晶体 SMD 晶体),石英晶体振荡器 (SMD OSCILLATOR) 和石英晶体控制振荡器 (SMD晶振 VCXO压控晶振)。
NSK晶振,石英晶振,NXF 3-8晶振,根据客户需求特殊分为+偏差,或者-偏差,产品使用温度高温可达到+70°低温可达到-40°产品被广泛应用到比较高端的汽车电子产品,民用产品有家用电器,智能笔记本,蓝牙设备,儿童玩具 ,智能手表等产品.
石英晶振的切割设计:用不同角度对晶振的石英晶棒进行切割,可获得不同特性的石英晶片,通常我们把晶振的石英晶片对晶棒坐标轴某种方位(角度)的切割称为石英晶片的切型。不同切型的石英晶片,因其弹性性质,压电性质,温度性质不同,其电特性也各异,石英晶振目前主要使用的有 AT 切、BT 切。其它切型还有 CT、DT、GT、NT 等。
|
NSK晶振规格 |
单位 |
NXF 3-8晶振频率范围 |
石英晶振基本条件 |
|
标准频率 |
f_nom |
32.768KHZ |
标准频率 |
|
储存温度 |
T_stg |
-40°C ~ +85°C |
裸存 |
|
工作温度 |
T_use |
-20°C ~ +70°C |
标准温度 |
|
激励功率 |
DL |
200μW Max. |
推荐:1μW ~ 100μW |
|
频率公差 |
f_— l |
±50 × 10-6 (标准), |
+25°C 对于超出标准的规格说明, |
|
频率温度特征 |
f_tem |
±30 × 10-6/-20°C ~ +70°C |
超出标准的规格请联系我们. |
|
负载电容 |
CL |
12.5pF ~ ∞ |
超出标准说明,请联系我们. |
|
串联电阻(ESR) |
R1 |
如下表所示 |
-40°C — +85°C, DL = 100μW |
|
频率老化 |
f_age |
±5 × 10-6 / year Max. |
+25°C,第一年 |

关于冲洗清洁音叉型晶振由于采用小型、薄型的晶振芯片,以及相对而言频率与超音波清洁器相近,所以会由于共振而容易受到破坏,因此请不要用超音波清洁器来冲洗晶振。 关于机械性冲击
(1) 从设计角度而言,即使石英晶振从高度75cm处落到硬质木板上三次,按照设计不会发生什么问题,但因落下时的不同条件而异,有可能导致石英芯片的破损。在使之落下或对它施加冲击之时,在使用之前,建议确认一下振荡检查等的条件。
(2) SMD晶振与电阻以及电容器的芯片产品不同,由于在内部对石英晶振晶片进行了密封保护,因此关于在自动安装时由于冲击而导致的影响,请在使用之前,恳请贵公司另外进行确认工作。
(3) 请尽量避免将本公司的音叉型晶振与机械性振动源(包括超声波振动源)安装到同一块基板上,不得已要安装到同一块基板上时,请确保晶振能正常工作。
台湾津绽晶振环保基本理念:
台湾津绽NSK晶振科技股份有限公司,依据‘ISO 14001环境/OHSAS-18001安卫管理系统’要求制定本‘环境/安卫手册’,以界定本公司环境/安卫管理系统之范围,包括任何排除之细节及调整,并指引环境/安卫管理系统与各书面、办法书之对应关系,包含在环境/安卫管理系统内之流程顺序及交互作用的描述.本公司环境/安卫管理系统之适用范围包含公司所有的活动、产品及服务.
台湾津绽NSK晶振科技股份有限公司藉由环境/安卫管理系统的推动执行,以整合内部资源,奠定经营管理的基础.藉执行环境考虑面/安卫危害鉴别作业,环境/安卫管理方案和内部稽核为手段,合理化推动环境/安卫管理,落实环境/安卫系统有效实施.并不断透过教育训练灌输员工环境/安卫观念及意识,藉由改善公司制程以达到污染预防、工业减废、安全与卫生、符合法规要求使企业永续发展减少环境/安卫负担,并满足客户需求,获得客户的信赖而努力.
服务热线:0755-27872782 13824306246
贸易通:泰河科技
在线客服:794113422 泰河微信号:taiheth794113422 公众号:taihekj
泰河邮箱:taiheth@163.com
泰河地址:广东深圳市宝安区40区33号工业城6楼
跟此产品相关的产品 / Related Products

- 1TC125DFNS030,DT-38晶振,日本大真空晶振
Mfr.# 制造商产品编号
1TC125DFNS030
Series 系列型号
Product Type 产品类型
KHZCrystal
Manufacturer 品牌
KDS晶振
Frequency 频率
32.768KHZ
Operating Temperature Range
-40~-85度
工作温度范围

- 1TD125DHNS036,DT-26晶振,32.768KHZ晶振
Mfr.# 制造商产品编号
1TD125DHNS036
Series 系列型号
DT-26
Product Type 产品类型
KHZCrystal
Manufacturer 品牌
Frequency 频率
32.768KHZ
Operating Temperature Range
-40~-85度
工作温度范围

- IQD Crystal|HC-49/3.5H|LFXTAL078424Bulk|49S插件晶振
IQD Crystal|HC-49/3.5H|LFXTAL078424Bulk|49S插件晶振,IQD Crystal,HC-49/3.5H无源晶振,进口晶振,LFXTAL078424Bulk晶振,11.35×4.85mm晶振,49S插件晶振,石英晶振,二脚封装晶振,频率16MHz,负载20pF,频率容差30ppm,工作温度-10~70°C,行业标准铅封装,采用电阻焊接,在惰性气体中密封,引线上的玻璃与金属密封,无铅环保晶振,高稳定性晶振,无线路由器晶振,摄像头晶振,录音笔晶振,移动应用晶振.
石英晶振
- CTS晶振
- 微晶晶振
- 瑞康晶振
- 康纳温菲尔德晶振
- 高利奇晶振
- Jauch晶振
- AbraconCrystal晶振
- 维管晶振
- ECScrystal晶振
- 日蚀晶振
- 拉隆晶振
- 格林雷晶振
- SiTimeCrystal晶振
- IDTcrystal晶振
- PletronicsCrystal晶振
- StatekCrystal晶振
- ILSI晶振
- FOX晶振
- Fujicom晶振
- AEK晶振
- CRYSTEK晶振
- Interquip晶振
- Geyer晶振
- Quartzcom晶振
- qantek晶振
- EUROQUARTZ晶振
- Quarztechnik晶振
- Cardinal晶振
- FRE-TECH晶振
- KVG晶振
- Wi2wi晶振
- AEL晶振
- Transko晶振
- Suntsu晶振
- Mmdcomp晶振
- MERCURY晶振
- MTRONPTI晶振
- ACT晶振
- MTI-MILLIREN晶振
- LIHOM晶振
- CTECH晶振
- rubyquartz晶振
- OSCILENT晶振
- NAKA晶振
- Shinsung晶振
- ITTI晶振
- SMI晶振
- PDI晶振
- IQD晶振
- Microchip晶振
- Silicon晶振
- Fortiming晶振
- CORE晶振
- NIPPON晶振
- NIC晶振
- QVS晶振
- Bomar晶振
- Bliley晶振
- GED晶振
- Filtronetics晶振
- Standard晶振
- Q-Tech晶振
- Anderson晶振
- Wenzel晶振
- NEL晶振
- EM晶振
- PETERMANN晶振
- FCD-Tech晶振
- HEC晶振
- FMI晶振
- AXTAL晶振
- ARGO晶振
- Renesas瑞萨晶振
- Dynamic迪拉尼
谐振器
滤波器
雾化片
SMD晶振
有源晶振
KDS晶振
爱普生晶振
- 爱普生32.768K晶体
- 爱普生 OSC晶振
- 爱普生 OCXO晶振
- 爱普生 VCXO晶振
- 爱普生 TCXO晶振
- 爱普生无源晶振
- 爱普生 CMOS晶振
- 爱普生 LV-PECL晶振
- 爱普生 LVDS晶振
- 爱普生 HCSL晶振
- 爱普生 VC-TCXO晶振
泰河盛微信号
在线留言
收藏网站
网站地图
手机版
全球咨询热线:



相关产品说明下载PDF资料
咨询热线:
快速通道