爱普生晶振,压控晶振,VG-4232CA晶振,X1G0039210002晶振
频率:60.001 MHz - 80.000 MHz
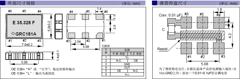
尺寸:7.0 × 5.0 × 1.4 mm
爱普生晶振公司已经建立了一个原始的垂直整合制造模型的最佳手段持续为客户创造新的价值,并决定使用这个模型来驱动前面提到的四个关键领域的创新.这意味着从头开始创建产品:创建我们自己的独特的核心技术和设备,使用这些作为基地的规划和设计提供独特价值的产品,生产或制造的艺术和科学,我们积累了多年的专业知识,然后生产晶振,石英晶振,有源晶振,压控振荡器, 32.768KHZ钟表晶振,温补晶振等出售给我们的客户。爱普生晶振,压控晶振,VG-4232CA晶振,X1G0039210002晶振
爱普生CMOS晶振公司加强人力资源的全功能,技术,生产,销售和支持和环境问题,利用信息技术,推进我们的原始制造模式寻求实现我们的愿景.视野下就像我提到的,我们的目标是使用我们的技术来创建一个新的连接人的时代,事物和信息,这样我相信我们可以成为不可或缺的公司为我们的客户和社会。
爱普生晶振,压控晶振,VG-4232CA晶振,X1G0039210002晶振,超小型石英晶片的设计:石英晶片的长宽尺寸已要求在±0.002mm内,由于晶片很小导致晶体的各类寄生波(如长度伸缩振动,面切变振动)与主振动(厚度切变振动)的耦合加强,从而造成如若晶片的长度或宽度尺寸设计不正确、使得振动强烈耦合导致晶片不能正常工作,从而导致产品在客户端不能正常使用,研发及生产超小型石英晶体元器件完成晶片的设计特别是外形尺寸的设计是首要需解决的技术问题,公司在此方面通过理论与实践相结合,模拟出一整套此晶片设计的计算机程序,该程序晶片外形尺寸已全面应用并取得很好的效果。超小型表面贴片型SMD晶振,最适合使用在汽车电子领域中,也是特别要求高可靠性的引擎控制用CPU的时钟部分。
石英晶振工业级标准规定的-40~+85℃这个范围往往只是出于设计者们的习惯,倘若-20℃~+70℃已经够用,那么就不必去追求更宽的温度范围。对于某些特殊场合如航天军用等,对温度有更苛刻的要求。
|
项目 |
符号 |
规格说明 |
条件 |
|
输出频率范围 |
f0 |
60MHz - 80MHz |
请联系我们以便获取其它可用频率的相关信息 |
|
电源电压 |
VCC |
3.3 V |
|
|
储存温度 |
T_stg |
-55 °C to +125 °C |
裸存 |
|
工作温度 |
T_use |
J:20- +70 °C |
请联系我们查看更多资料http://www.smdcrystal.com/ |
|
K:0 - +70 °C |
|
||
|
频率稳定度 |
f_tol |
±50 × 10-6 Min |
40~ +85 °C |
|
功耗 |
ICC |
35 mA Max. |
无负载条件 |
|
待机电流 |
I_std |
25 mA Max. |
OE=GND |
|
占空比 |
SYM |
45 % - 55 % |
CMOS 负载: 50 % VCC 极 |
|
输出电压 |
VOH |
90 % Vcc Min. |
IOH=-4 mA(**H), IOH=-0.8 mA(**C)
IOL=4 mA(**H ), IOL=3.2 mA(**C) |
|
VOL |
10 %Vcc Max. |
||
|
输出负载条件 |
L_ECL |
15PF Max. |
CMOS 负载 |
|
输入电压 |
VIH |
70% VCC Min. |
OE终端 |
|
VIL |
30% VCC Max. |
||
|
上升/下降时间 |
tr / tf |
5ns Max. |
LV-PECL: 20% ~ 80% (VOH-VOL) |
|
振荡启动时间 |
t_str |
10 ms Max. |
在电源电压最低时,所需时间为0 秒 |
|
频率老化 |
f_aging |
±5 × 10-6 / year Max. |
+25 °C |
VG-4231CB晶振原厂编码表:
X1G0039210002
VG-4232CA
61.440000 MHz
GGC-T
7.00 x 5.00 x 1.40 mm
CMOS
N/A ppm
-40 to 85 °C
+/-50 ppm
Included in frequency tolerance
≤ 35 mA
自动安装时的冲击,爱普生晶振,压控晶振,VG-4232CA晶振,X1G0039210002晶振
自动安装和真空化引发的冲击会破坏产品特性并影响这些网络设备晶振产品。请设置安装条件以尽可能将冲击降至最低,并确保在安装前未对产品特性产生影响。条件改变时,请重新检查安装条件。同时,在安装前后,请确保晶体产品未撞击机器或其他电路板等。
每个封装类型的注意事项
(1)陶瓷包装产品与SON产品
在焊接陶瓷封装产品和SON产品 (高周波晶振,RTC-****NB,RX-****NB) 之后,弯曲电路板会因机械应力而导致焊接部分剥落或封装分裂(开裂)。尤其在焊接这些产品之后进行电路板切割时,务必确保在应力较小的位置布局晶体并采用应力更小的切割方法。
陶瓷包装产品
在一个不同扩张系数电路板(环氧玻璃)上焊接陶瓷封装产品时,在温度长时间重复变化时可能导致端子焊接部分发生断裂,请事先检查焊接特性。
(2)陶瓷封装产品
在一个不同扩张系数电路板(环氧玻璃)上焊接陶瓷封装产品时,在温度长时间重复变化时可能导致端子焊接部分发生断裂,请事先检查焊接特性。
(3)柱面式产品
LV-PECL输出晶振产品的玻璃部分直接弯曲引脚或用力拉伸引脚会导致在引脚根部发生密封玻璃分裂(开裂),也可能导致气密性和产品特性受到破坏。当晶体产品的引脚需弯曲成下图所示形状时,应在这种场景下留出0.5mm的引脚并将其托住,以免发生分裂。当该引脚需修复时,请勿拉伸,托住弯曲部分进行修正。在该密封部分上施加一定压力,会导致气密性受到损坏。所以在此处请不要施加压力。另外,为避负机器共振造成引脚疲劳切断,建议用粘着剂将产品固在定电路板上。
●安装示例
(4)DIP 产品
已变形的引脚不能插入板孔中。请勿施加过大压力,以免引脚变形。
(5)SOJ 产品和SOP 产品
请勿施加过大压力,以免引脚变形。已变形的引脚焊接时会造成浮起。尤其是SOP产品需要更加小心处理。爱普生晶振,压控晶振,VG-4232CA晶振,X1G0039210002晶振
爱普生7050mm六脚贴片晶体集团将建立可行的技术及经济性环境目标,并确保其环境保护活动的质量。
爱普生晶振集团公司将关注所有环境适用的法律、法规和协议的遵守情况。另外为更有效的进行环境保护,将建立自己的特有的环境标准。
精工爱普生7050封装VCXO晶振集团将在各领域内的商务运作中实施持续改进,包括能源资源的保持,回收再利用以及减少废弃物等。
EPSON晶振尽可能的采用无害的原材料和生产技术,避免有害物质的产生,比如消耗臭氧层物质、温室气体及其它污染物。集团公司同时将致力于这些物质的收集和回收,最小化有害原料的使用。
根据需要,提高环境技术、材料和产品的发展信息及环境管理活动的公开性。
爱普生高频7050有源晶振公司的目标是保证产品继续满足客户要求的同时对环境的影响降到最小,在生产过程中不断节约能源和资源,努力实现环境管理体系与环境行为持续改进。
承诺保护环境,重视员工、客户和公众的健康和安全。我们从事任何活动,都要以注重安全和环保方式,并考虑到生态系统的复杂性和相关性。
建立目标指标、监测程序,利用最好的管理手段,应用节约成本的技术,持续改进我们的环境表现。我们承诺采取积极的、预防性的战略管理来对自然环境和地方社区的影响最小化。爱普生晶振,压控晶振,VG-4232CA晶振,X1G0039210002晶振
爱普生VCXO压控系列晶振规格表:
VG-4512CA
125.000000 MHz
JGCT
7.00 x 5.00 x 1.60 mm
LV-PECL
N/A ppm
-20 to 70 °C
+/-50 ppm
Included in frequency tolerance
≤ 60 mA
VG-4512CA
156.250000 MHz
JGCT
7.00 x 5.00 x 1.60 mm
LV-PECL
N/A ppm
-20 to 70 °C
+/-50 ppm
Included in frequency tolerance
≤ 60 mA
VG-4512CA
157.286400 MHz
GGCT
7.00 x 5.00 x 1.60 mm
LV-PECL
N/A ppm
-40 to 85 °C
+/-50 ppm
Included in frequency tolerance
≤ 60 mA
VG-4512CA
153.600000 MHz
GGCT
7.00 x 5.00 x 1.60 mm
LV-PECL
N/A ppm
-40 to 85 °C
+/-50 ppm
Included in frequency tolerance
≤ 60 mA
VG-4501CA.
122.880000 MHz
GGCT
7.00 x 5.00 x 1.60 mm
CMOS
N/A ppm
-40 to 85 °C
+/-50 ppm
Included absolute pull range
≤ 25 mA
VG-4232CA
61.440000 MHz
GGC-T
7.00 x 5.00 x 1.40 mm
CMOS
N/A ppm
-40 to 85 °C
+/-50 ppm
Included in frequency tolerance
≤ 35 mA
VG-4513CA
122.880000 MHz
GGCT
7.00 x 5.00 x 1.60 mm
LV-PECL
N/A ppm
-40 to 85 °C
+/-50 ppm
Included in frequency tolerance
≤ 65 mA
VG-4513CA
122.880000 MHz
GFCT
7.00 x 5.00 x 1.60 mm
LV-PECL
N/A ppm
-40 to 85 °C
+/-50 ppm
Included in frequency tolerance
≤ 65 mA
VG-4513CA
153.600000 MHz
GFCT
7.00 x 5.00 x 1.60 mm
LV-PECL
N/A ppm
-40 to 85 °C
+/-50 ppm
Included in frequency tolerance
≤ 65 mA
VG-4513CA
148.351648 MHz
GGCT
7.00 x 5.00 x 1.60 mm
LV-PECL
N/A ppm
-40 to 85 °C
+/-50 ppm
Included in frequency tolerance
≤ 65 mA
VG-4513CA
153.600000 MHz
GGCT
7.00 x 5.00 x 1.60 mm
LV-PECL
N/A ppm
-40 to 85 °C
+/-50 ppm
Included in frequency tolerance
≤ 65 mA
VG-4513CA
122.880000 MHz
GHCT
7.00 x 5.00 x 1.60 mm
LV-PECL
N/A ppm
-40 to 85 °C
+/-50 ppm
Included in frequency tolerance
≤ 65 mA
VG-4513CA
148.500000 MHz
GGCT
7.00 x 5.00 x 1.60 mm
LV-PECL
N/A ppm
-40 to 85 °C
+/-50 ppm
Included in frequency tolerance
≤ 65 mA
VG-4513CA
155.520000 MHz
GGCT
7.00 x 5.00 x 1.60 mm
LV-PECL
N/A ppm
-40 to 85 °C
+/-50 ppm
Included in frequency tolerance
≤ 65 mA
服务热线:0755-27872782 13824306246
贸易通:泰河科技
在线客服:794113422 泰河微信号:taiheth794113422 公众号:taihekj
泰河邮箱:taiheth@163.com
泰河地址:广东深圳市宝安区40区33号工业城6楼
跟此产品相关的产品 / Related Products
石英晶振
- CTS晶振
- 微晶晶振
- 瑞康晶振
- 康纳温菲尔德晶振
- 高利奇晶振
- Jauch晶振
- AbraconCrystal晶振
- 维管晶振
- ECScrystal晶振
- 日蚀晶振
- 拉隆晶振
- 格林雷晶振
- SiTimeCrystal晶振
- IDTcrystal晶振
- PletronicsCrystal晶振
- StatekCrystal晶振
- ILSI晶振
- FOX晶振
- Fujicom晶振
- AEK晶振
- CRYSTEK晶振
- Interquip晶振
- Geyer晶振
- Quartzcom晶振
- qantek晶振
- EUROQUARTZ晶振
- Quarztechnik晶振
- Cardinal晶振
- FRE-TECH晶振
- KVG晶振
- Wi2wi晶振
- AEL晶振
- Transko晶振
- Suntsu晶振
- Mmdcomp晶振
- MERCURY晶振
- MTRONPTI晶振
- ACT晶振
- MTI-MILLIREN晶振
- LIHOM晶振
- CTECH晶振
- rubyquartz晶振
- OSCILENT晶振
- NAKA晶振
- Shinsung晶振
- ITTI晶振
- SMI晶振
- PDI晶振
- IQD晶振
- Microchip晶振
- Silicon晶振
- Fortiming晶振
- CORE晶振
- NIPPON晶振
- NIC晶振
- QVS晶振
- Bomar晶振
- Bliley晶振
- GED晶振
- Filtronetics晶振
- Standard晶振
- Q-Tech晶振
- Anderson晶振
- Wenzel晶振
- NEL晶振
- EM晶振
- PETERMANN晶振
- FCD-Tech晶振
- HEC晶振
- FMI晶振
- AXTAL晶振
- ARGO晶振
- Renesas瑞萨晶振
- Dynamic迪拉尼
谐振器
滤波器
雾化片
SMD晶振
有源晶振
KDS晶振
爱普生晶振
- 爱普生32.768K晶体
- 爱普生 OSC晶振
- 爱普生 OCXO晶振
- 爱普生 VCXO晶振
- 爱普生 TCXO晶振
- 爱普生无源晶振
- 爱普生 CMOS晶振
- 爱普生 LV-PECL晶振
- 爱普生 LVDS晶振
- 爱普生 HCSL晶振
- 爱普生 VC-TCXO晶振
泰河盛微信号
在线留言
收藏网站
网站地图
手机版
全球咨询热线:




相关产品说明下载PDF资料

咨询热线:
快速通道